?LED Taschenlampe mit Ostar bauen?

Fragen zu Schaltungen, Elektronik, Elektrik usw.

Moderator: T.Hoffmann

Antworten
Borax
Star-Admin
Star-Admin
Beiträge: 12243
Registriert: Mo, 10.09.07, 16:28

Mo, 31.08.09, 11:02

Gibt es schon was neues?
Ich hab Dir hier in diesen Schaltplan mal alle relevanten Spannungen eingetragen. Diese gelten natürlich nur, wenn die Schaltung korrekt arbeitet. Die Spannung am Drain-Pin des Mosfet (4.6V) ist natürlich von der Flussspannung der LED(s) abhängig. Die Spannung am Gate des Mosfet ist vom Mosfet selbst abhängig (Typ und Charge). Je nach Typ können hier auch nur 2V oder sogar 5V anliegen. Welchen Mosfet verwendest Du jetzt eigentlich?
OP_KSQ_24_3.png
suicid
User
User
Beiträge: 15
Registriert: Fr, 19.06.09, 15:11
Wohnort: Traunwalchen
Kontaktdaten:

So, 06.09.09, 21:48

N Abend,

ich hoffe es passt hier noch rein, aber ich werds jetz einfach mal posten:

Bin auf einen deutschen Versender von Optiken gestoßen. Preise sind in Ordnung und die Qualität is hervorragend! http://www.lupenshop.de

@ Ibis93: beste Grüße und Daumen hoch bei deinem Projekt! Mir gefällt deine Arbeit sehr gut! Bin zur Zeit mit einem Prototyp beschäftigt, der mit zwei Ostar´s betrieben wird und für den "Freeride"-Einsatz verwendet wird. Es handelt sich um eine Stirnlampe mit gefrästem Aluboddy. Hoffe auch bis spätestens Weihnachten fertig zu werden :D
Benutzeravatar
Ibis93
Mega-User
Mega-User
Beiträge: 301
Registriert: Di, 14.10.08, 21:25

Fr, 11.09.09, 21:00

Hi,
bin in letzter Zeit sehr müde vom Arbeiten, deshalb antworte ich erst jetzt.

Trozdem gibts ne gute Nachricht, die Schaltung funktioniert :D Hab keine Ahnung wiso :lol: Ich wollte heute mal alle Spannungen nachmessen, die Borax im Schaltplan eingetragen hat. Da hab ich natürlich zuerst alles angeschlossen, und plötzlich hats funktioniert :D Trozdem vielen Dank an Borax, für die Hilfe und die Beschriftung der Spannungen.

Natürlich hab ich auch den Strom gemessen. Ich kann nun zwischen 0,09A, 0,33A, 0,70A und 0,89A einstellen. Ist also genau so, wie ich es mir gewünscht habe :D

@suicid
Danke für den Link, aber im Moment hab ich ja ne Linse. Wird aber vieleicht in ein par Monaten aktuell, wenn ich noch mehr Lampen mache :D Es haben schon einige Leute gesagt, das sie auch so eine Lampe haben möchten :D Und wenn mein Kumpel das ganze mal programmiert hat, gehts ja relativ schnell mit zusammenbauen. Die Frage ist nur, ob sich das auch alle leisten können :lol:

Danke für das Lob, es freut mich, dass mich nicht alle für verrückt halten :P Dein Projekt klingt auch sehr spannend. Ich würde mich natürlich über mehr Infos und Bilder zu deiner Lampe freuen. Mach doch einen eigenen Thread dafür auf, es gibt bestimmt einige Leute die sich dafür interessieren.

Danke nochmals an alle, die mir bisher geholfen haben. Im Moment warte ich noch auf das Gehäuse und den Akkuhalter. Aber mein Kumpel hat leider nicht so viel Zeit, seit ich selber Arbeite weiss ich wie das ist :wink:
Ich melde mich wieder, wenn es Neuigkeiten gibt.
LG Ibis93
suicid
User
User
Beiträge: 15
Registriert: Fr, 19.06.09, 15:11
Wohnort: Traunwalchen
Kontaktdaten:

Fr, 18.09.09, 21:50

N Abend,

bin auf was interessantes gestoßen, als ich bei unserem örtlichen Elektrofachladen nach einer Ostar mit der Helligkeits-BIN "QZ" angefragt hatte.... hier ein Ausschnitt aus dem Angebot:

Die Helligkeits-BIN "QZ" (970-1.120 lm @700mA)ist momentan leider nicht (bzw.war leider auch noch nie) in größeren Stückzahlen verfügbar.Wir können Ihnen daher grundsätzlich nur die Helligkeits-BIN "QY" (820-970lm @700mA) anbieten.Bitte beachten Sie auch, dass Osram diese OSTAR-Variante abkündigt: Bestellungen werden von Osram noch bis einschließlich 7. Dezember 2009angenommen;geliefert wird von Osram bis einschließlich 7. März 2010.

also Ibis93, halt dich ran! ;)

Hab aber nen genialen Ersatz gefunden, vorallem die vorwärtsspannung lässt sich sehen! ;)

http://www.luminus.com/stuff/contentmgr ... nation.pdf
Benutzeravatar
Achim H
Star-Admin
Star-Admin
Beiträge: 13067
Registriert: Mi, 14.11.07, 02:14
Wohnort: Herdecke (NRW)
Kontaktdaten:

Sa, 19.09.09, 01:29

So schön die Luminus auch sein mag, hat sie leider auch einen entscheidenden Nachteil.
Um die absolute Helligkeit von über 1000 Lumen zu entfalten, muss die Led mit 9 Ampere bestromt werden. Leider hat ein hoher Strom auch wieder einen Nachteil. Je schmaler die Leiterbahn, desto schneller heizt sie sich auf. Und eine zusätzliche Wärmequelle kann man in einer Taschenlampe nun wirklich nicht gebrauchen.

Nachfolgend ein paar Temperaturen für unterschiedliche Kupferauflagen bei 9 Ampere:
Bei 35µm Kupferdicke und 1.25mm Breite würde die Leiterbahn um 100 Grad heiß werden,
= entspricht (siehe Bild) 2.5mm Breite bei 18µm Dicke.
strom18.gif
Bei 35µm Kupferdicke und 2.5mm Breite ungefähr 45 bis 50 Grad.
strom35.gif
Bei (siehe Bild) 70µm Kupferdicke und 2.5mm Breite nur noch ca. 25 Grad,
= entspricht 5mm Breite bei 35µm Dicke.
strom70.gif
Bei (siehe Bild) 105µm Kupferdicke und 2.5mm Breite würde sie sich nicht mehr aufheizen
= entspricht 7.5mm Breite bei 35µm Dicke
= entspricht 3.75mm Breite bei 70µm Dicke.
strom105.gif
mfg Achim
Benutzeravatar
Beatbuzzer
Auserwählter
Auserwählter
Beiträge: 3177
Registriert: Fr, 17.08.07, 11:02
Wohnort: Alfeld / Niedersachsen
Kontaktdaten:

Sa, 19.09.09, 08:57

Sehr schöne Aufzeichnung, Achim.
Aber eine Sache ist meiner Ansicht nach nicht ganz richtig. Die Temperaturangaben in den Graphen sind nicht die Endtemperaturen der Leiterbahnen.
Vor dem jeweiligen Wert steht "Delta Teta". Das bedeutet, dass es sich um die Temperaturdifferenz handelt. Normalerweise gibt man diesen Wert auch nicht in Celsius, sondern in Kelvin an, deshalb ist es noch etwas verwirrender.

Die Leiterbahn im ersten Beispiel würde sich also um 100°C bzw 100K erwärmen. Bei 25°C Umgebungstemperatur wären das dann immerhin schon 125°C. Und in einer Taschenlampe mit solchen LED-Leistungen werden bestimmt keine 25°C mehr herrschen...

Mal davon ab, ich verstehe es so, dass sie die 1000lm schon bei 3,2A im besten BIN übersteigt. Bei 9A gehts dann aufwärts bis auf über 2000lm, was sich meiner Meinung nach nicht lohnt.
1000lm sind schon der Wahnsinn für eine Taschenlampe, und da hat die LED auch noch eine vernünftige Effizienz im Gegensatz zur Ostar.
Ostar max. 1120lm : 17W = 65lm/W
Luminus max. 1200lm : 10,24W = 117lm/W !!

PS: Hier hatte CRI 93+ / Ra 93+ die LED schonmal angesprochen:
viewtopic.php?f=14&t=6542
Benutzeravatar
Achim H
Star-Admin
Star-Admin
Beiträge: 13067
Registriert: Mi, 14.11.07, 02:14
Wohnort: Herdecke (NRW)
Kontaktdaten:

Sa, 19.09.09, 11:51

Mal davon ab, ich verstehe es so, dass sie die 1000lm schon bei 3,2A im besten BIN übersteigt. Bei 9A gehts dann aufwärts bis auf über 2000lm, was sich meiner Meinung nach nicht lohnt.
1000lm sind schon der Wahnsinn für eine Taschenlampe, und da hat die LED auch noch eine vernünftige Effizienz im Gegensatz zur Ostar.
Ostar max. 1120lm : 17W = 65lm/W
Luminus max. 1200lm : 10,24W = 117lm/W !!
Klar, im höchsten Binning würde sie max. 1200 Lumen @ 3.2A hell werden. Leider ist genau dieser Binning nicht verfügbar. Was man bei EBV-Elektronik (einziger Distributor in Deutschland) bekommen könnte, wäre der schlechteste Binning, entsprechend 600 bis 700 Lumen @ 3.2A. Und was noch schlimmer ist: EBV-Elektronik verkauft diese Leds nur in Packs mit 25 Stück, wofür inkl. MwSt. 774 Euro erforderderlich wären (Mindestbestellwert 500 Euro).

Ich denke, die derzeitig beste Alternative ist die Bridgelux. Kostet wenig, kann man einzeln kaufen und macht ordentlich Licht. Die Vorwärtsspannung ist höher, dafür der Strom relativ normal. Die Effizienz ist aber nur minimal besser als eine Ostar.
BXRA-C0400: min. 400 (typ. 440) bis ca. 660 Lumen (0.6 bis 1.0A @ 9.8V) für 15,71 Euro.
BXRA-C0800: min. 800 (typ. 880) bis ca. 1320 Lumen (0.9 bis 1.5A @ 13.0V) für 26,18 Euro.
BXRA-C1200: min. 1200 (typ. 1320) bis ca. 1850 Lumen (1.3 bis 2.0A @ 13.2V) für 34,51 Euro.
BXRA-C2000: min. 2000 (typ. 2200) bis ca. 2800 Lumen (1.75 bis 2.5A @ 16.6V) für 52,24 Euro.
C = Kaltweiß: min. 4750K, typ. 5600K, max. 7000K.
Alle Preise inkl. MwSt. zzgl. Versandkosten.

mfg Achim
Benutzeravatar
BlackPowder75
Super-User
Super-User
Beiträge: 68
Registriert: Di, 19.12.06, 17:29
Wohnort: Chemnitz

So, 20.09.09, 10:10

Vielleicht ist das ne alternative?

viewtopic.php?f=24&t=7669

liefert satte 1680 lm. Habe nur noch das Problem mit der Ansteuerung :oops: Die Kühlung ist bei Fahrtwind völlig ausreichend (am Ventilator bei Stufe 1 getestet)
Benutzeravatar
Beatbuzzer
Auserwählter
Auserwählter
Beiträge: 3177
Registriert: Fr, 17.08.07, 11:02
Wohnort: Alfeld / Niedersachsen
Kontaktdaten:

So, 20.09.09, 10:35

BlackPowder75 hat geschrieben:Die Kühlung ist bei Fahrtwind völlig ausreichend (am Ventilator bei Stufe 1 getestet)
Aber bei einer Taschenlampe hat man nicht soviel Fahrtwind :wink: Es sei denn, man rennt damit permanent hin und her :) . Ausserdem braucht man da schon einen ganz schön großen Lampenkopfdurchmesser. Aber wenn das nicht stört, dann man los :wink:
Benutzeravatar
BlackPowder75
Super-User
Super-User
Beiträge: 68
Registriert: Di, 19.12.06, 17:29
Wohnort: Chemnitz

So, 20.09.09, 11:05

Immerhin ist die Leuchtfläche größer und man wird nicht sofort blind. Finde ein Durchmesser von 6 cm noch akzeptabel. Zwecks Kühlung, man kann ja auch einen kleinen Lüfter mit einbauen (sofern die Lampe nicht lautlos sein muss :lol: )
Benutzeravatar
Achim H
Star-Admin
Star-Admin
Beiträge: 13067
Registriert: Mi, 14.11.07, 02:14
Wohnort: Herdecke (NRW)
Kontaktdaten:

So, 20.09.09, 13:13

An sowas habe ich schon mal gedacht.
Kleine 40mm Lüfter mit einer Geräuschentwicklung um 20dbA sind standardmäßig zu haben. Wer etwas sucht, findet auch welche bis hinab zu ungefähr 9dbA.

10 db entspricht dem ruhigen Atmen eines Menschen am Ohr eines anderen Menschen.
Siehe: Wikipedia: Schalldruckpegel

Wenn man an diesem Lüfter die 4 Ecken absägt und das Gehäuse ein wenig nachschleift (Dremel) kann man den nun runden 40mm Lüfter in sein Gehäuse einkleben oder sonstwie befestigen.

Bild (vorher/nachher, mit Paint bearbeitet)
cool40_2.jpg
Zur Kühlung reichen 8,5m³/h dicke aus, da nur etwas Luft an den Kühlrippen vorbei gedrückt werden muss.
8,5m³/h = 8500 Liter Luft pro Stunde = knapp 142 Liter pro Minute = ca. 2,5 Liter je Sekunde.

Hinten müssen selbstverständlich ein paar Löcher oder Schlitze sein, wo die Luft angesogen werden kann.
Benutzeravatar
BlackPowder75
Super-User
Super-User
Beiträge: 68
Registriert: Di, 19.12.06, 17:29
Wohnort: Chemnitz

So, 20.09.09, 13:17

...Ja das wird schon extrem kompakt.. :wink: das einzige Problem was ich sehe, ist der eventuelle Kontakt mit Wasser :cry: Hat schon mal jemand so ein Lüfter ins Wasser geschmissen? Was passiert dann?
Benutzeravatar
Achim H
Star-Admin
Star-Admin
Beiträge: 13067
Registriert: Mi, 14.11.07, 02:14
Wohnort: Herdecke (NRW)
Kontaktdaten:

So, 20.09.09, 13:33

Es gibt von Nanoxia wasserdichte Lüfter, allerdings nicht unter 80mm. Möglicherweise gibt es solche auch in klein von anderen Herstellern. Müsste man mal danach suchen.

Youtube: Nanoxia-Lüfter: Betrieb im Wasser (Videolänge: 1:17min.)

Nachtrag:
wenn man es genau nimmt, brauchen doch nur die Anschlüsse (die Box wo Kabel aus dem Lüfter rauskommen) wasserdicht verklebt werden. Die Kupferdrähte im Innern des Motor sind schon mit Lack isoliert. Bewegliche Teile wie bei konventionellen Niedervolt-Motoren (da dreht sich der Rotor) gibt es bei diesen Lüftern nicht. Hier steht der Rotor und der Stator (das Teil mit den Magneten) bewegt sich.

mfg Achim
Benutzeravatar
Beatbuzzer
Auserwählter
Auserwählter
Beiträge: 3177
Registriert: Fr, 17.08.07, 11:02
Wohnort: Alfeld / Niedersachsen
Kontaktdaten:

So, 20.09.09, 18:30

Lüfter unter Wasser. Eigentlich ganz toll, bei ner Tauchlampe hast dann gleich nen Antrieb. :mrgreen: .
Ne Spass beiseite. Also die Drehzahl lässt doch schon stark nach, wegen dem hohen Widerstand des Wassers.
Und eine Taschenlampe mit Lüftungsschlitzen für Zugluft für den Lüfter würde ich eh nicht mehr als Regennässe aussetzen.
Und ein paar Wassertropfen bringen nen Lüfter nicht gleich um :wink:

EDIT: Hab gerade mal einen Standard Billig-60mm Lüfter von Pollin unter Wasser geschmissen. Strom geht von 160mA hoch auf 250mA wegen der höheren Belastung. Lüfter wieder raus => Strom runter (und ich war etwas nass, aber das macht ja nichts :mrgreen: )

Nur das der Lüfter noch wesentlich besser dreht, als der im Youtube-Video. Deutet auf mehr Drehmoment, war schon ein erkennbarer Strudel im Wasser.
Benutzeravatar
BlackPowder75
Super-User
Super-User
Beiträge: 68
Registriert: Di, 19.12.06, 17:29
Wohnort: Chemnitz

So, 20.09.09, 19:17

:lol: Ich lach mich tot! "..Haste gleich einen Unterwasserantrieb..."

Mir geht es da nur um Spritzwasser bei Regen.
Benutzeravatar
Beatbuzzer
Auserwählter
Auserwählter
Beiträge: 3177
Registriert: Fr, 17.08.07, 11:02
Wohnort: Alfeld / Niedersachsen
Kontaktdaten:

So, 20.09.09, 19:24

BlackPowder75 hat geschrieben:Mir geht es da nur um Spritzwasser bei Regen.
Das sollte kein Problem machen. Also mein Lüfter hier läuft noch, und der ist kein Stück wasserdicht, Elektronik und Wicklung liegt alles sichtbar offen. Das einzige Problem könnte ein rostender Anker werden, die Wellen sind meist aus nichtrostendem Material (verchromt oder aber VA).
Benutzeravatar
BlackPowder75
Super-User
Super-User
Beiträge: 68
Registriert: Di, 19.12.06, 17:29
Wohnort: Chemnitz

So, 20.09.09, 19:30

Ich glaube ich lass heute auch mal nen alten Lüfter baden :D Wenn das wirklich funktioniert, würde das mit der Kühlung bei Taschenlampen wesentlich einfacher und im Winter hat man sogar nen Heizlüfter :wink:. Im Sommer kann man den Lüfter mit ausgeschalteter Beleuchtung betreiben - das kühlt dann :lol: .
Benutzeravatar
BlackPowder75
Super-User
Super-User
Beiträge: 68
Registriert: Di, 19.12.06, 17:29
Wohnort: Chemnitz

So, 20.09.09, 19:49

Also Papst Lüfter sind nicht Wasserfest! Nach dem ersten Badevorgang lief er noch - die Strudel waren auch ganz nett. Bei zweiten fing er an zu stottern und ging aus :roll: . Mal sehen ob er nach der Trocknung wieder läuft. Immer hin ist der ganze Staub der sich über Jahre angesammelt hatte endlich ab. War eben kein Pollin Lüfter! Hat jemand Lust mitzumachen und Lüfter auf Ihre Eignung zu testen? Wichtig wäre das die nach dem Trocknen wieder laufen. :mrgreen:

Nachtrag: Ja, er lebt noch! Nach dem Trocknen funktioniert der wieder einwandfrei!
Benutzeravatar
Achim H
Star-Admin
Star-Admin
Beiträge: 13067
Registriert: Mi, 14.11.07, 02:14
Wohnort: Herdecke (NRW)
Kontaktdaten:

Mo, 21.09.09, 00:59

Für die Unterwasser-Lüfter-Prüfung sollten wir einen eigenen Fred aufmachen, das geht hier etwas am Thema vorbei.

Wenn der Lüfter mit etwas Wasser (Pfütze) klarkommt, ist doch alles in Butter. Fällt die Taschenlampe hingegen in den Brunnen, See oder Teich, wird man wohl schon einen Taucher engagieren müssen, um die Lampe wieder raus zu holen. Und wenn die Lampe nicht ebenfalls wasserdicht, hat sich das mit dem Kühlen ohnehin erledigt. Selbst wenn die Lampe unter Wasser noch eine zeitlang leuchten sollte, der Lüfter aber wegen Kurzschluss ausgefallen ist, wird das Wasser schon dafür sorgen, dass überschüssige Wärme vom Kühlkörper abgenommen wird.
suicid
User
User
Beiträge: 15
Registriert: Fr, 19.06.09, 15:11
Wohnort: Traunwalchen
Kontaktdaten:

Mo, 21.09.09, 20:50

Achim H hat geschrieben:...
BXRA-C0400: min. 400 (typ. 440) bis ca. 660 Lumen (0.6 bis 1.0A @ 9.8V) für 15,71 Euro.
BXRA-C0800: min. 800 (typ. 880) bis ca. 1320 Lumen (0.9 bis 1.5A @ 13.0V) für 26,18 Euro.
BXRA-C1200: min. 1200 (typ. 1320) bis ca. 1850 Lumen (1.3 bis 2.0A @ 13.2V) für 34,51 Euro.
BXRA-C2000: min. 2000 (typ. 2200) bis ca. 2800 Lumen (1.75 bis 2.5A @ 16.6V) für 52,24 Euro.
...
Leider haben diese Zellen so "bescheidene" Forwärts-Spannungen... sonst gefallen mir die Teile schon, doch gibts dafür auch Refelktoren oder Optiken?
Benutzeravatar
Achim H
Star-Admin
Star-Admin
Beiträge: 13067
Registriert: Mi, 14.11.07, 02:14
Wohnort: Herdecke (NRW)
Kontaktdaten:

Di, 22.09.09, 00:25

Leider haben diese Zellen so "bescheidene" Forwärts-Spannungen
Das liegt daran, dass die Led-Chips (Dies) sowohl in Reihe als auch parallel verschaltet wurden.

BXRA-
C0400, N0400, W0400, C0800: 9 Dies
9.7V bis 9.8V für 3 Led-Chips in Reihe = ca. 3.25V je Led-Chip
C0400: 3 Stränge parallel für max. 1000mA = 333mA je Strang
N0400, W0400, C0800: 3 Stränge parallel für max. 1500mA = 500mA je Strang

N0800, W0800, C1200: 16 Dies
13.0V bis 13.2V für 4 Led-Chips in Reihe = ca. 3.4V je Chip-Chip
4 Stränge parallel für max. 2000mA = 500mA je Strang

N1200, W1200: 16 Dies
16.2V bis 16.4V für 4 Led-Chips in Reihe = 4.05V je Led-Chip
4 Stränge parallel für max. 2500mA = 625mA je Strang

C2000: 25 Dies
16.6V für 5 Led-Chips in Reihe = ca. 3.12V je Led-Chip
5 Stränge parallel für max. 2500mA = 500mA je Strang

Du kannst Dir ausrechnen, dass Led-Chips, die nicht mit 700mA oder mit 1A bestromt werden, sehr viel länger halten werden und auch nicht übermäßig Hitze produzieren. Trotzdem haben die Leds noch Reserven, falls widererwartend doch mal einzelne Led-Chips resp. Stränge ausfallen. Dann verteilt sch der Strom entsprechend auf die verbleibenden Stränge. Multichip-Leds, die bereits hier mit der maximalen Belastung betrieben werden, würden bei Ausfall nur eines Stranges bereits überbestromt, sodass deren Lebenserwartung deutlich herab gesenkt würde. Das kann den bei den Bridgelux-Leds nicht so schnell passieren.

Darüber hinaus haben alle Bridgelux-Leds ausgezeichnete thermale Eigenschaften (Wärmeübergangswiderstände):
C0400: 1,4C/W
N0400, W0400, C0800: 1,0C/W
N0800, W0800, C1200: 0,7C/W
N1200, W1200, C2000: 0,5C/W

1C/W entspricht 1K/W (nur die Skala ist um 273,15 Grad Celsius verschoben)

Mit Wärmeleitpaste/-kleber schlechtestenfalls max. 1,7K/W und das wäre schon um 44% besser als bei einer Ostar (3K/W). Je besser (schneller) die Wärme an den Kühlkörper abgegeben werden kann, umso besser für die Led. Leds lieben es kühl und das wird hier hervorragend umgesetzt.

mfg Achim
Benutzeravatar
Ibis93
Mega-User
Mega-User
Beiträge: 301
Registriert: Di, 14.10.08, 21:25

Do, 26.11.09, 17:45

Hi,
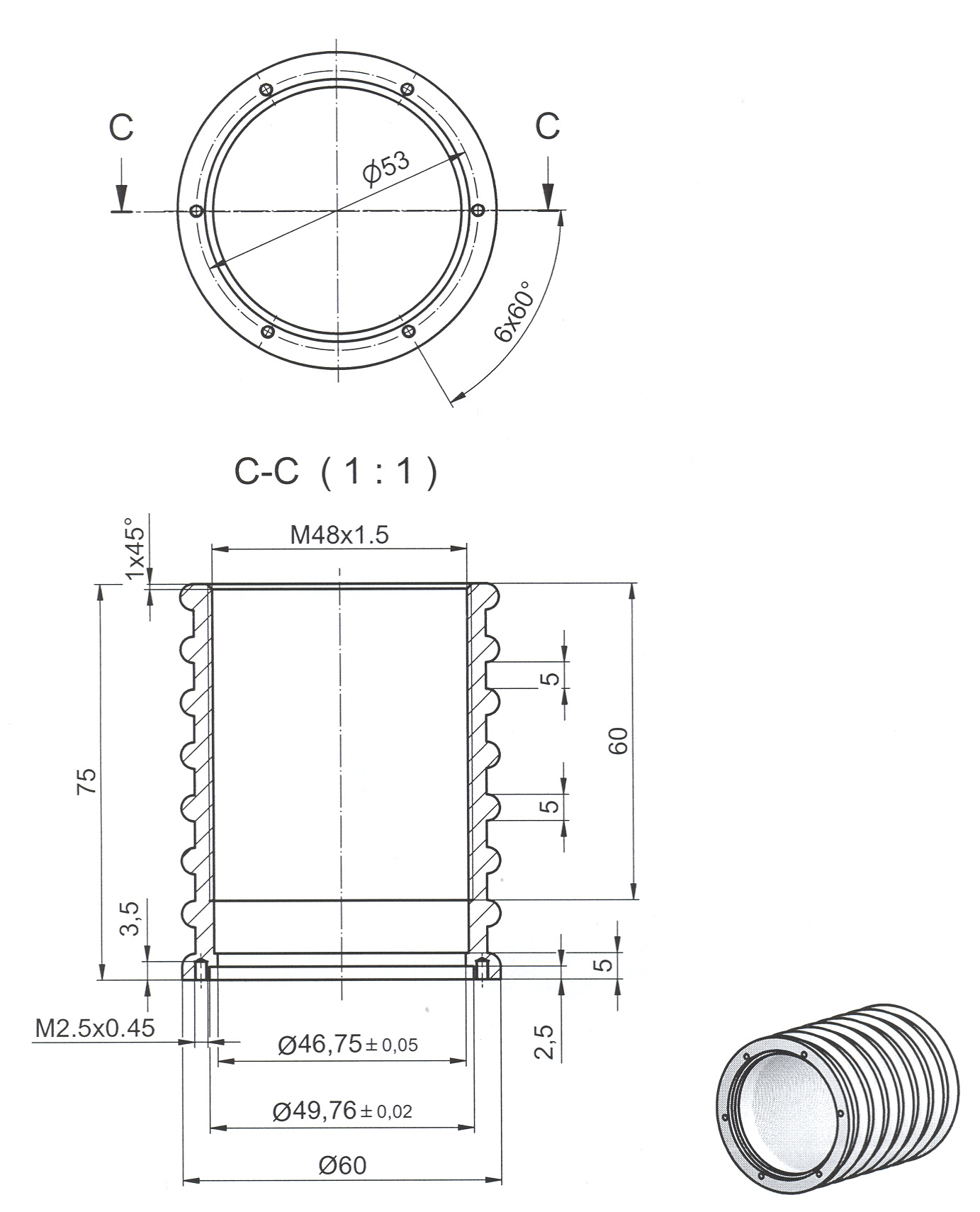
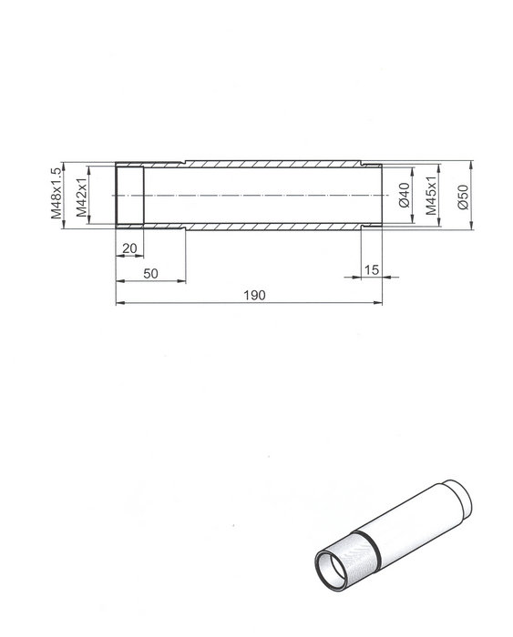
es gibt nun profesionelle Zeichnungen von der Taschenlampe :D
Mein Kumpel lernt nun, wie man am Computer Zeichnungen erstellt. Da ihm die Übungen zu langweilig wahren, hat er einfach die Taschenlampe gezeichnet. So lernt er mehr und hat auch mehr Spass dabei :D Er hat das ganze zum ersten mal gemacht und sich das meiste selber beigebracht, deshalb hat es noch ein par kleine Fehler, ist aber nicht so schlimm. Ausserdem stimmen die Längenmasse noch nicht ganz. Wahrscheindlich wird die Lampe noch etwas kürzer. Dafür müssen wir uns aber einmal zusammensetzten und das ganze nochmals genau anschauen und nachmessen. Weil Bilder mehr sagen als 1000 Worte, hier die Zeichnungen :D
Scannen0002.jpg
Scannen0003.jpg
Scannen0004.jpg
Scannen0005.jpg
Scannen0006.jpg
Scannen0007.jpg
Scannen0008.jpg
Falls jemand Fragen hat, dann einfach her damit :D
LG Ibis93
Simse
Mega-User
Mega-User
Beiträge: 266
Registriert: So, 03.05.09, 16:06
Wohnort: Hessen

Do, 26.11.09, 18:11

Ibis93 hat geschrieben:Falls jemand Fragen hat, dann einfach her damit :D
Mit welchem Programm ist das gemacht?
Ich such schon länger nach nem Zeichenprogramm hab aber noch nix gefunden was mir zusagt.
Ibis93 hat geschrieben:So lernt er mehr und hat auch mehr Spass dabei :D Er hat das ganze zum ersten mal gemacht und sich das meiste selber beigebracht, deshalb hat es noch ein par kleine Fehler, ist aber nicht so schlimm.
Also ich find die Zeichnungen gut, besser als auf'nen Block geschmiert :mrgreen:
Benutzeravatar
Larkin
Ultra-User
Ultra-User
Beiträge: 663
Registriert: Sa, 21.04.07, 22:57

Do, 26.11.09, 18:44

Simse hat geschrieben:
Ibis93 hat geschrieben:
Ich such schon länger nach nem Zeichenprogramm hab aber noch nix gefunden was mir zusagt.
Der Einstieg fällt am leichtesten mit Solid Edge. Alternativ gibts Solid-Works und Pro/E aber die sind am Anfang etwas schwerer zu erlernen. Wenn man mal eins kann, fällt der Einstieg bei den anderen leicht. Ich bin von SE zu SW und jetzt bei Pro/E angelangt.


Ibis93
Wie machste das jetzt mit dem Treiber ? Wo kaufen bzw kannst du mir auch 2 mitbestellen/fertigen. Hab hier auch paar Ostars rumliegen die gerne leuchten würden :lol:
Benutzeravatar
CRI 93+ / Ra 93+
Auserwählter
Auserwählter
Beiträge: 2801
Registriert: So, 19.10.08, 23:56
Wohnort: Hannover

Do, 26.11.09, 19:46

Ich hab' jetzt keine Lust 8 Seiten zu lesen, deshalb kurze Frage:
Hat hier jemand schon die Luminus Phlatlight-LED in der Hand gehabt oder im Einsatz??? Wenn ja, bitte Bescheid geben, Quelle, Preise, Fotos, etc. :-)

BTW: es ist offenbar eine LED-Taschenlampe mit der Phlatlight SST-90 geplant, namens: Olight K90 Intimidator

Hier hat einer Muster der LED ausprobiert. Allerdings steht gleich am Anfang 1000 lm @ 350 mA, da fehlt natürlich eine Null: @ 3500 mA hätte es da selbstverständlich heißen müssen. Auch der Rest des Threads enthält leider viel Blödsinn und nichtmal Fotos im Betrieb :-(
Preise bei EBV ab 500,-€ Wert, Mindestanzahl 25 Stück und auch nur SST-50 und nix auf Lager, SST-90 ist gar nicht aufgeführt
Es ist offenbar nicht leicht, das Ding in ein verkaufsfähiges Produkt umzusetzen. Jedenfalls braucht Cree von Ankündigung bis zu Produktion nicht so lange wie Luminus.

Wundert mich eigentlich sehr, dass Cree nicht einfach größere Chips aus dem Silizium schneidet, die MC-E ließe sich ja sicher auch mit einem statt 4 Chips oder auch mit einem Chip, der die Fläche von 16 XR-E-Chips hat realisieren. Das könnte dann u.U. schon als Videoprojektor-Beleuchtung taugen :-)

Bei Videoprojektoren ginge ja auch kaltweiß, da wäre dann eine LED mit 16facher Fläche eines XP-G-Chips gut, der brächte dann bis zu 5200 Lumen bei 16 Ampere und ca. 53 Watt :mrgreen: :mrgreen: :mrgreen:
So ein Teil wäre dann sicher auch 'nen Hunni wert, bzw. eigentlich müsste es ja Mengenrabatt geben und da jetzt schon 16 Cree XP-G "nur" 80 Euro kosten, könnte so eine LED durchaus realistisch für 49,90€ zu kaufen sein, sobald es sie eines Tages gibt (das wird ja sicher außerdem noch 1 bis 2 Jahre dauern, da sehen die Preise dann mit sicherheit noch wesentlich freundlicher aus). <von ultimativer Videoprojektorlichtquelle träum>
Warten wir's mal ab...
Zuletzt geändert von CRI 93+ / Ra 93+ am Fr, 27.11.09, 22:05, insgesamt 1-mal geändert.
Antworten