Solarleuchte im Eigenbau - Bauteileauslegung

Fragen zu Schaltungen, Elektronik, Elektrik usw.

Moderator: T.Hoffmann

Antworten
de3nrap
Mini-User
Beiträge: 2
Registriert: So, 24.06.07, 08:08
Kontaktdaten:

So, 24.06.07, 08:17

Super Thread hier! Hab zwar noch Probleme mit den Schaltplänen und der genauen Funktionsweise, aber wenn ich morgen die ersten Baumarkt Leuchten auseinander nehme sollte es fruchten.

Hat hier vieleicht schon jemand nicht nur eine, sondern 10 oder mehr LEDs mit Hilfe von PV-Zellen betrieben?
Gibts da evtl. einen Schaltplan zu? Klar brauch ich größere/mehr Zellen und Akkus, aber wird die Schaltung insgesamt viel komplizierter?

Gibt es keine fertigen Bauteile die das Laden des Akkus sowie den Tag/Nacht Rhytmus steuern (Laderegler, ...)?

Schönen Sonntag ...
Benutzeravatar
dieter_w
Mega-User
Mega-User
Beiträge: 398
Registriert: So, 18.02.07, 11:15

Mo, 25.06.07, 22:26

de3nrap hat geschrieben:Super Thread hier!
Herzlich willkommen!
Hat hier vieleicht schon jemand nicht nur eine, sondern 10 oder mehr LEDs mit Hilfe von PV-Zellen betrieben?
Machen kann man sicherlich vieles. Aber nicht vergessen: Die Energie, die nachts "verbraten" wird, die muss am Tag "geerntet" werden. Also: nicht nur ein dicker Akku ist dafür erforderlich, sondern - fast noch wichtiger - auch flächenmäßig möglichst große Solarzellen und diese dann selbstverständlich mit einem guten Wirkungsgrad.
Es kommen auch wieder längere Nächte. Und Tage, die lichtmäßig nicht so ergiebig sind.
Ist am Ende eigentlich nur eine Frage, wie groß die fertige Leuchte werden darf.

Gruß,
Dieter
DnM
Hyper-User
Hyper-User
Beiträge: 1118
Registriert: Mi, 24.05.06, 20:58
Wohnort: Bonn
Kontaktdaten:

Di, 26.06.07, 00:13

aber andererseits rewicht es meistens wenn die leds nur die ersten nachtstunden leuchten danch is eh ekiner mehr wach um sie zu bewundern deswegen muss die lampe meisntens auch nicht bis morgens um 6 leuchten.

jenachdem wie du die leds anschließt musst du natürlich beachten das sie mehr strom bzw mehr spannung benötigen und dann müssen die bauteile entsprechend anders ausgelegt werden da reicht es nicht größere akkus und mehr oder bessere solarzellen zu nehmen aber ich denk mal wir können dich uach in diesem punkt gut beraten wir wolln ja schließlich dass das hier ein superthread in einem super forum bleibt :D
de3nrap
Mini-User
Beiträge: 2
Registriert: So, 24.06.07, 08:08
Kontaktdaten:

Mi, 27.06.07, 19:09

Das ist ein Wort ;)

Mir ist klar, dass ich mehr/größere Zellen brauche.

Ich habe 4 A-SI Zellen mit 3.8 Volt in Reihe geschaltet. Habe noch einen 12V (2.2mAh) Akku und einen passenden Laderegler. Daran 4 LEDs in Reihe (ohne Vorwiederstand, möchte ungern die kostbare Energie verheizen). Funktioniert einwandfrei, nur fehlt halt die Tag/Nacht Steuerung.

Wie kann ich das realisieren? Nett wäre eine Idee für einen Schaltplan und auch die Formeln zur Dimensionierung der Bauteile, da ich noch mit versch. LEDs experimentiere.

Ich könnte auch gerne auf den Laderegler verzichten, eine clevere Schaltung kann den als extra Bauteil ja erstzen (s.w.o.).

Wie berechne ich wie lange die LEDs leuchten, wenn der Akku ganz voll ist? Welche LEDs würdet ihr empfehlen (Leuchtkraft steht im Vordergrund).

Das ganze soll meinen Bierglasschrank am Grill beleuchten. Hier mal ein Foto von heute Nacht (noch mit 3 auseinandergepflückten Baumarkt Solarlampen):
Bild

Hui ist doch ein großer Haufen Fragen geworden. Die Tüchtigen bekommen dann zur nächsten Gartenparty eine VIP Einladung zum Schrank bestaunen ;)
martin160257
Mega-User
Mega-User
Beiträge: 211
Registriert: Mo, 27.11.06, 21:54
Wohnort: Arnsberg
Kontaktdaten:

Mi, 27.06.07, 19:44

Nun denn der ganze Spass hängt erstmal von den LEDs ab.
Ich würde mal sagen wenn Du mit 4A Zellen arbeitest und davon 30 Stück zusammenschaltest
um etwa 14Volt als Ladespannung für den 12V Akku zu bekommen, währe die Ausbeute maximal
50 Watt. Das ist wohl zu viel des guten.
Also das Pferd von hinten aufzäumen.
Sagen wir mal Du willst 12 Stück der 16000mCandella LEDs betreiben, die bringen schon einiges an Licht
dann brauchst Du alle parallel geschaltet 400mA bei etwa 3,6V ergibt eine Leistung von etwa 1,5 Watt.
Das ganze soll 5 Stunden leuchten dann brauchst Du Akkuleistung von etwa 10W/h. Verluste eingerechnet.
Jetzt kommt es darauf an welche Spannung soll der Akku haben (2Zellen 2-3V/ 3Zellen 3-4,5V/4zellen4-6V)
Bei 4 Zellen rechnet man 10W/h geteilt durch 4,8V ergibt 2100mA Akkukapazität.
Dann mit einem Wandler etwa dem LM2621 zwischen Akku und LEDs regeln, der bringt bis 500mA.
Um aber 4 Akkuzellen zu laden brauchst Du 13 bis 14 Solarzellen in Reihe damit Du die Akkus voll bekommst.
Die sollten dann 250-300mA bringen, besser währen 500-600mA um auch bei nicht ganz so gutem Wetter die
Akkus zu laden. Dazu kommt noch die obligatorische Diode und eine Steuerschaltung die den Wandler bei
unterspannung vom Akku und bei Tageslicht abschaltet.
Bin dabei sowas ähnliches zu bauen nicht ganz so groß aber auch mit 4-6 LEDs 16000mC schau mal

Hier viewtopic.php?t=3023&highlight=

meine ersten Versuche.
Lass es Dir mal durch den Kopf gehen und melde Dich wieder, die Schaltung habe ich schon auf dem Papier.
Gruß
Benutzeravatar
Qs'Tree
Mega-User
Mega-User
Beiträge: 196
Registriert: So, 04.06.06, 19:30
Wohnort: Bayern

Do, 28.06.07, 23:32

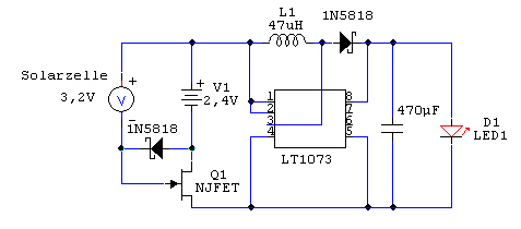
Also, ich hab jetzt (endlich)mal die Zeit gefunden einen N-Kanal jFET und den LT1073 zusammen zu gebastelt. Nun stellt sich die Frage ob ich einen Denkfehler in der Schaltung habe oder nicht. Wie sieht es hier mit einem BF245 (n-jFET) aus. Sollte das funktionieren oder brauch ich einen anderen FET :?:
583_LT1073_3.jpg
Nachtrag: Diese Schaltung funktioniert nicht !!!
Zuletzt geändert von Qs'Tree am Mo, 09.07.07, 16:23, insgesamt 1-mal geändert.
luckylu1
Hyper-User
Hyper-User
Beiträge: 1405
Registriert: So, 29.04.07, 05:11
Wohnort: berlin

Fr, 29.06.07, 04:28

ich denke mal, aus 2 gründen, macht das probleme, erstens selbst wenn die eingangsbeschaltung funktionieren sollte, wäre der spannungsabfall über dem fet zu gross, womit du einen grossteil an leistung verlieren würdest.
nun mal zu der ansteuerung des fets, wo soll da der spannungshub herkommen?

mir kam da gerade eine andere idee, in einem der letzten beiträge wurde ein wandler von zetex verwendet, den wandler fand ich nicht so super toll, die verwendeten transistoren schon!!! mit fmmt617(npn) und 717(pnp) hättest du da echt bessere chancen etwas vernünftiges anzustellen, sieh dir mal das datenblatt an, die dinger sind einfach mal unglaublich!

PS: wenn jemand mir noch andere ähnliche transistoren nennen könnte, würde ich mich freuen, dürfen ruhig mit
beinchen sein.^^
Benutzeravatar
Qs'Tree
Mega-User
Mega-User
Beiträge: 196
Registriert: So, 04.06.06, 19:30
Wohnort: Bayern

Fr, 29.06.07, 23:55

Jow, die Schaltung tut so nicht. Hab heute auch mal einiges gebastelt und gelötet - ohne Erfolg.
Ich werd noch zum Elch. Irgendwie muß sich der blöde LT1073 doch abschalten lassen, wenn bei Tag die Solarzellen geladen werden ..... :cry:
Mein Basiswissen stößt hier einfach an Grenzen. Wie müßte ein FET grundsätzlich verschaltet werden, damit die Schaltung funzt? Einen passenden FET werd ich dann schon finden.

Laut Datenblatt verfügt der IC über eine "Logic Shutdown" Funktion. Die zwei Widerstände und die Diode sind ja klar, aber warum ein Hexinverter? Geht das nicht auch irgendwie mit "Bordmitteln"???
Was müßte den an der 1N4148 anliegen, damit der IC in den Abschaltmodus geht?
583_LT1073shutdown_1.jpg
583_LT1073shutdown_1.jpg (31.38 KiB) 100037 mal betrachtet
:?: :( :?: :(
Benutzeravatar
Sailor
Moderator
Beiträge: 9427
Registriert: Di, 28.11.06, 22:16
Wohnort: Saarland, Deutschland und die Welt

Sa, 30.06.07, 08:47

Mit dem Inverter ist High = Operate = Ein und Low = Shutdown = aus, ohne den Inverter ist es halt umgekehrt.

Statt dem Inverter könntest Du das mit einem Transistor realisieren, der über die Solarzelle geschaltet wird (Spannungsabfall über die Sperrdiode bei Solarbetrieb benutzen).
martin160257
Mega-User
Mega-User
Beiträge: 211
Registriert: Mo, 27.11.06, 21:54
Wohnort: Arnsberg
Kontaktdaten:

Sa, 30.06.07, 12:40

Wie währe es damit, das schützt den Akku auch gleich vor Tiefentladung.
Je nach Spannung der Solarzellen und des Akku-Packs müsste der Spannungsteiler natürlich angepasst werden.
Habe ich so getestet und klappt wunderbar.
Wenn die LEDs später also erst wenn es dunkler ist einschalten sollen, einfach noch einen Basis-Spannungsteiler davorschalten.
1122_Schutzschaltung_1.jpg
Mit dem Signal kann man auf den Shtd oder bei anderen Wandlern die den nicht haben auf den CS eingang gehen
die sind normalerweise auch low aktiv. Den genauen Punkt bei welcher Akkuspannung er abschalten soll kann man eventuel mit einem Poti anstatt dem 10K Widerstand einstellen. Bei "Licht" schaltet der Tran sowiso alles auf 0.
DnM
Hyper-User
Hyper-User
Beiträge: 1118
Registriert: Mi, 24.05.06, 20:58
Wohnort: Bonn
Kontaktdaten:

So, 01.07.07, 00:33

hab mir jetzt mal 2 5€ leuchten von verschiedenen herstellen besorgt und bin echt erschrekct als ich da reingescahut hab da is ja wirklich nur schrott drin kein wunder warum so viele leute sagen leds sind net hell.

bei einer war nur n akku 2 widerstände und ne led dran und das dann mit ne billigen zelle die noch net mal gleichmäßig ist sondern nur aus bruchstücken besteht und da dann n billig akku und ne billig led dran.

na dann werd ich mich demnächst auch an den selbstbau machen fürht ja kein weg drumherum
Benutzeravatar
Qs'Tree
Mega-User
Mega-User
Beiträge: 196
Registriert: So, 04.06.06, 19:30
Wohnort: Bayern

So, 01.07.07, 01:46

Ich hab jetzt mal den Vorschlag von martin160257 in meinen Schaltplan mit dem LT1073 eingearbeitet.
Sollte doch so aussehen, oder?
583_LT1073_4.jpg
Ich hab dann die Schaltung auch nachgebaut, leider will der IC einfach nicht abschalten. Ich kann mit den Widerständen spielen wie ich will. Die LED geht einfach nicht aus....
Ich geh jetzt erst mal schlafen...
Nachtrag: Diese Schaltung funktioniert nicht !!!
Zuletzt geändert von Qs'Tree am Mo, 09.07.07, 16:24, insgesamt 1-mal geändert.
luckylu1
Hyper-User
Hyper-User
Beiträge: 1405
Registriert: So, 29.04.07, 05:11
Wohnort: berlin

So, 01.07.07, 02:22

mmmm, wenn du das so gebaut hast, ist sicher der transistor schon kaputt!?

mit der basis emitter-diode, fabrizierst du hier einen satten kurzschluss der solarzelle (Ube des transistors ~ 0,3V - 0,5V) !!!
am besten, entweder einen low-sat transi nehmen und einen relativ hohen basiswiderstand (200kohm - 500kohm) einfügen oder besser, einen n-fet mit niedriger steuerspannung wählen, den 10kohm widerstand kannst du weglassen( oder anders nutzen, siehe unten). bei verwendung eines
bipolar-transistors, hast du den nachteil, das ständig ein kleiner strom fliessen muss, damit der transistor durchsteuert, der fehlt dir am ladestrom! hier findest du einen passenden low-sat transistor
http://www.datasheetcatalog.com/datashe ... T624.shtml

und hier einen passenden n-fet
http://www.datasheetcatalog.com/datashe ... 002L.shtml

sind ja beides nur beispiele, aber bedenke, das die spannung zum abschalten des ic´s entsprechend niedrig sein muss! das gute ist aber, das es auch ohne spezielle transistoren geht^^ nur, ohne ein paar versuche wirst du nicht auskommen. das gute ist, das der anschluss (zum abschalten) nur sehr wenig strom "zieht" , wenn also die
spannung der kollektor-emitter-strecke noch zu hoch ist, ersetzt du in deiner schaltung den 10kohm widerstand durch einen trimmer, der schleifer kommt an deinen shut-down anschluss des ic´s, damit kannst du dann die schaltschwelle einstellen.
martin160257
Mega-User
Mega-User
Beiträge: 211
Registriert: Mo, 27.11.06, 21:54
Wohnort: Arnsberg
Kontaktdaten:

So, 01.07.07, 09:45

hast recht luckylu1 der Basis Spannungsteiler muss rein aber sonst klappt es damit.
ich habe nach + 6,8K und nach Masse 30K drin das sollte nich alzuviel Strom ziehen.
Benutzeravatar
Qs'Tree
Mega-User
Mega-User
Beiträge: 196
Registriert: So, 04.06.06, 19:30
Wohnort: Bayern

So, 01.07.07, 10:10

Schon mal Danke für die Tipps und die Links zu den Datenblättern. Ich hab mich schon gewundert, dass kein Widerstand von die Tranistorbasis geschaltet werden muß...

Kann der Shutdown auch ohne Transistor getestet werden, indem man (ohne Solarzelle) anstatt des Transistor einfach eine Brücke zwischen C&E klemmt, oder brauch ich eine Vergleich-/Refernzspannung durch die Solarzelle?

Ich werde jetzt noch mal einige Widerstandwerte durchtesten und mal nach einen passendem Poti suchen...
martin160257
Mega-User
Mega-User
Beiträge: 211
Registriert: Mo, 27.11.06, 21:54
Wohnort: Arnsberg
Kontaktdaten:

So, 01.07.07, 10:41

testen ist ganz einfach leg den CS oder den Shtd auf Masse dann schaltet der Chip ab.
luckylu1
Hyper-User
Hyper-User
Beiträge: 1405
Registriert: So, 29.04.07, 05:11
Wohnort: berlin

So, 01.07.07, 12:09

ich könnte mal einen tip gebraucen, mit welchem programm zeichnest du die schaltpläne? eagel macht bei mir schon fehler bei einer einfachen graetz-brücke, hab jetzt noch target 3001 runtergeladen aber noch nicht ausprobiert,
gibt es eventuell auch noch andere?

der spannungsteiler an der basis des transistors ist nicht notwendig, da reicht ein sehr hochohmiger vorwiderstand schon aus. sobald die schwellspannung der basis-emitter-strecke überschritten wird, wird da ein strom fliessen,
da der ic selbst nur ein paar µA für den shutdown benötigt, dürfte der strom an der basis mit 100nA ausreichend sein (geschätzt), so etwas ermittelt man am besten mit trimmern, aufpassen musst du nur mit dem endanschlag oder du benutzt noch einen widerstand in reihe.

was martin schrieb, muss natürlich funktionieren, spiegelt allerdings nicht die wahren verhältnisse wieder, am besten mit einem veränderlichen spannungsteiler erst einmal den realen schaltpunkt ermitteln und dann den rest aufbauen. dieser schaltpunkt des shutdown liegt mit ziemlicher sicher um einiges höher als es im datenblatt
angegeben ist.

das ganze hat mir keine ruhe gelassen *g*, und nun denke ich, dass das problem recht einfach zu lösen ist, die vorherigen annahmen waren falsch! der wandler wird abgeschaltet, wenn die spannung am FB pin(8) 212mV
erreicht! mit pin 7 kannst du diese spannung anheben, den wirst du aber nicht brauchen. da die max. spannung am
FB pin 5V erreichen darf, benötigst du bei deiner max. eingangsspannung von 2,4V auch keine weitere schutzbeschaltung. einfach einen widerstand vom + deiner solarzelle zum FB pin legen und schon funktioniert das^^. den wert des widerstands würde ich mit pi x daumen x fensterkreuz, mit 50kohm bis 200kohm ansetzen, allerdings besteht noch die möglichkeit, das der sperrstrom der schottkydiode(an der solarzelle) von der batterie aus, das ganze beeinflusst, in diesem fall solltest du noch einen ableitwiderstand von FB nach masse legen, die grösse musst du durch versuch ermitteln. dieser strom könnte beim verbinden des widerstands von FB zur solarzelle, den wandler auch ausschalten, wenn von der solarzelle keine spannung anliegt. die solarzelle solltest du dazu abklemmen, dann siehst du, ob das der fall ist.
Benutzeravatar
Qs'Tree
Mega-User
Mega-User
Beiträge: 196
Registriert: So, 04.06.06, 19:30
Wohnort: Bayern

So, 01.07.07, 20:13

@ martin160257:
Wenn ich den FB/SENSE an Masse lege passiert gar nix. Die LED leuchtet weiter.
Evtl. liegt dies daran, dass ich einen LT1073-5 verwende und keinen LT1073.

@ luckylu1:
Ich verwende CircuitMaker2000. Damit kann man theoretisch auch Schaltungen simulieren. Die Realität weicht aber gerne von der Simulation ab :?
Ich hab jetzt auch mal versucht, einfach nur mit unterschiedlichen Widerständen vom FB/SENSE direkt auf + der Solarzelle zu gehen, mal mit Ableitwiderstand mal ohne. Das sch... Teil schaltet einfach nicht ab.

Bin jetzt soweit, dass ich das Thema "Shutdown" beim LT1073-5 zu den Akten lege und mir einen andere IC suche...
Evtl. bekommt es ja jemand gebacken bei dem es funktioniert, dann würde ich mich über einen Schaltplan freuen
luckylu1
Hyper-User
Hyper-User
Beiträge: 1405
Registriert: So, 29.04.07, 05:11
Wohnort: berlin

So, 01.07.07, 20:40

bei einer spannung über 212mV an FB muss der wandler den takt unterbrechen, wenn er das nicht macht, ist der ic ev. schon schrott oder du hast einen fehler in deiner schaltung. sieh mal noch mal auf den chip, wenn du einen fest eingestellten 5V oder 12V chip hast, dann funzt das so auch nicht! sieh mal in das datenbalatt, da ist unter anderem eine abschaltung mit ttl-pegel gezeigt, genau da musst du auch den pegel von der solarzelle aufschalten.
Bin jetzt soweit, dass ich das Thema "Shutdown" beim LT1073-5 zu den Akten lege und mir einen andere IC suche...
Evtl. bekommt es ja jemand gebacken bei dem es funktioniert, dann würde ich mich über einen Schaltplan freuen
Lol, mit dem geht das nicht!, da brauchst du zum abschalten eine spannung über 5V
Zuletzt geändert von luckylu1 am So, 01.07.07, 21:11, insgesamt 1-mal geändert.
Benutzeravatar
Qs'Tree
Mega-User
Mega-User
Beiträge: 196
Registriert: So, 04.06.06, 19:30
Wohnort: Bayern

So, 01.07.07, 20:58

Genau da liegt das Problem. Ich habe nur einige LT1073-5. Also geh ich mal auf die Suche nach "offenen" 1073ern.
Thanxs soweit - einfach klasse Support hier im Forum!!!
Olibau
Mini-User
Beiträge: 5
Registriert: Mi, 04.07.07, 11:35

Mi, 04.07.07, 17:44

Hier geht es ja ganz schön rund...:-)
Mein sehnlichster Wunsch ist es, auch ein paar Solargartenleuchten aufzustellen, aber keineswegs solche
Funzeln wie meine Nachbarn...
Ein paar Elektronikkenntnisse wären von früher ja noch vorhanden, daß ich mir ne Schaltung löten könnte...
Verfolge schon einige Zeit die Postings hier, mich würde schon interessieren, welche Schaltung in der Realität
schon ne zeitlang zufriedenstellend funktioniert...
Möchte auch kein Trittbrettfahrer sein und werde meine Erfahrungen selbstverständlich hier posten.
Nur gehen meine Kenntnisse nicht soweit, daß ich eine Schaltung selbst entwickeln kann...leider...

Würde mich sehr freuen eine Antwort zu erhalten...

Bis dann...

Oliver
Benutzeravatar
jm2_de
Hyper-User
Hyper-User
Beiträge: 1188
Registriert: Sa, 06.01.07, 01:26

Mi, 04.07.07, 18:41

Qs'Tree hat geschrieben:
583_LT1073_3.jpg
Hab mir das eben mal angesehen.
Muss bei dem N-Kanal JFET das Gate nicht an "+" der Solarzelle angeschlossen werden
und nicht wie auf dem Bild an "-" ?

mfg, jm
luckylu1
Hyper-User
Hyper-User
Beiträge: 1405
Registriert: So, 29.04.07, 05:11
Wohnort: berlin

Mi, 04.07.07, 20:00

ein jfet ist dafür nicht geeignet, naja wenn du einen findest, der bei -0,2V komplett sperrt und bei 0V einen Rson von ein paar milliohm hat schon^^, selbst mit gate an source fliesst da noch ein strom, sprich, um den völlig zu schliessen, würde eine negative spannung, bezogen zu source, von einigen volt nötig sein. weiterhin benötigt ein jfet einen steuerstrom!

ich würde eine schaltung mit 2 x fmmt617 + irgend einen anderen kleinleistungstransistor nehmen, dieser transistor(fmmt617, gibt es bei reichelt) hat eine Ucesat von 50mV und kann bis zu 3A dauerstrom verkraften, und ist als smd teil recht klein.^^


aus den 2 fmmt617 wird ein darlingtontransistor gebildet, dieser wird an stelle des jfet in die schaltung eingebaut. von der basis wird ein widerstand von etwa 20kohm (geschätzt, abgleich) zum + pol des akkus geschaltet,
dabei muss der basisstrom wegen der entladung des akkus möglichst klein sein, andererseits muss er den transistor(hier ist die darlington-kombination als ein transistor zu betrachten)
sicher in die sättigung treiben können (bei nominalstrom), erst wenn das aufsteuern des transistors richtig funktioniert, wird die abschaltung eingefügt! diese besteht aus einem weiteren transistor, der zwischen basis und emitter des darlington geschaltet wird, mit einem widerstand von einigen hundert kiloohm (geschätzt,versuch) zum + der solarzelle ist die schaltung komplett und sollte ohne probleme funktionieren, wenn nicht, müsst ihr den effekt beschreiben, da findet sich dann abhilfe.
Zuletzt geändert von luckylu1 am Do, 05.07.07, 00:26, insgesamt 1-mal geändert.
Benutzeravatar
Qs'Tree
Mega-User
Mega-User
Beiträge: 196
Registriert: So, 04.06.06, 19:30
Wohnort: Bayern

Mi, 04.07.07, 23:17

@Olibau:
Herzlich Willkommen im Forum :D
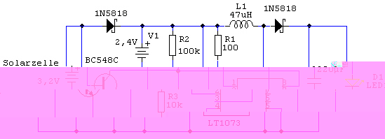
Zu deiner Frage kann ich folgendes berichten. Seit Januar habe ich vier Solarlampen mit nachfolgender Schaltung im "Freilandtest". Die verwendeten weißen LEDs (Nichia; 18000mcd; 20mA) leuchten die ganze Nacht. Selbst wenn mal mehrere Tage nur Wolken am Himmel hängen :wink:
583_SolarlampeSchottky_1-neu.jpg
583_SolarlampeSchottky_1-neu.jpg (32.06 KiB) 31323 mal betrachtet
Anstatt der Diode 1N5834 tut es auch eine 1N5818 oder 1N5819. Hauptsache du verwendest eine Schottky-Diode.

Parallel teste ich seit März zwei Solarlampen mit der gleiche Schaltung aber mit 10mm 4-Chip LED (3,4V, weiß, 80mA, 11 Lumen). Auch diese leuchten mind. die halbe Nacht.
Die Schaltung ist einfach zum Nachbauen und "relativ" günstig. Einzig die Solarzellen treiben die Kosten nach oben.
Für die oben genannten Solarlampen verwende ich RWE SCHOTT Solarzellen (Umpp=4,8V; Impp=81mA; Leistung=390mW)von Conrad, da ich bis dato keine günstigere Bezugsquelle finden konnte.
Generell ist der Eigenbau immer teurer als gekaufte Solarlampen, macht aber auch mehr Spaß :D

Seit Wochen experimentiere ich nun mit dem LT1073.
Folgende "Features" sollen beinhaltet sein:
Betriebsspannung: 1,2 V Akku
Ausgangsspannung an LED: ca. 3 V
Automatische LED-Abschaltung bei Akkuspannung < ca. 1,0 V
Automatische LED-Abschaltung bei Tageslicht

Die Testplatine habe ich heute fertiggestellt, nun muß der Test zeigen ob alles funktioniert.
Vermutlich werde ich morgen den zugehörigen Schaltplan posten.
Zuletzt geändert von Qs'Tree am Sa, 22.01.11, 23:17, insgesamt 1-mal geändert.
luckylu1
Hyper-User
Hyper-User
Beiträge: 1405
Registriert: So, 29.04.07, 05:11
Wohnort: berlin

Do, 05.07.07, 00:34

so ähnlich hatte ich mir die abschaltung des akkus auch vorgestellt.

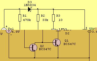
hier nun die geänderte schaltung
die zeichnung ist nicht sehr schön, das wesentliche ist aber zu erkennen, bei nur 21mm x 14mm bildfläche, geht das noch^^ der darlingtontransistor wurde in einen emitterfolger geändert, die verwendeten transistoren von links nach rechts 2 x beliebiger kleinleistungstransistor BC547 o.ä., der dritte ist der fmmt617(ich kenne keinen austauschtyp). an den beiden rechten etwas dickeren punkten wird die wandlerschaltung angeschlossen, die schaltung wird zusätzlich mit einem elektrolytkondensator geblockt, tantal 10µF sollte reichen. . bei den widerständen, gilt das oben gesagte, der zusätzlich eingefügte widerstand im kollektorkreis des 2. transistors, ist als erstes zu bemessen, der wert wird bestimmt, indem dieser vom + pol des akkus direkt an die basis gelegt wird, dabei muss die
spannung der kollektor emitterstrecke etwa 50mV bis 100mV betragen und die led voll leuchten. auf grund der kollektor emitter sättigungsspannung ist der wert anschliessend etwa um ein drittel zu verringern. als ausgangswert für die versuche, empfehle ich 20kohm, der wert wird dann schrittweise verringert, bis "es" passt. der widerstand im basiskreis des 2. transistors dürfte vom wert etwa 50 bis 100 x grösser sein, er ist ebenfalls durch versuch zu bestimmen. da der strom durch diese widerstände zwar notwendig ist, andererseits aber eine unerwünschte belastung des akkus zur folge hat, ist die bemessung sehr sorgfältig vorzunehmen! da die schaltung ja bis etwa 2V akkuspannung funktionieren soll, empfiehlt es sich, die spannung des vollen akkus,
während des abgleichvorganges, durch die reihenschaltung von 2 oder 3 schottkydioden herabzusetzen und so einen leeren akku zu simulieren. danach ist der widerstand des abschalttransistors wie oben schon beschrieben, zu bemessen, wie schon mal weiter vorn beschrieben, könnte der sperrstrom der schottkydiode, zwischen anode und + pol des akkus ein abschalten des 1. transistors verhindern, in diesem fall ist ein widerstand zusätzlich zwischen basis und emitter einzufügen. statt diesem spannungsteilers mit festwiderständen, käme auch ein trimmer mit 1Mohm - 2,5Mohm in frage, an den schleifkontakt käme dann die basis. sollte es trotz dieser vorgehensweise nicht funktionieren, schreibt mir am besten eine pm mit link und ich werde mir das noch mal ansehen, wichtig ist dabei immer, den fehler so genau wie möglich zu beschreiben!

[img][img]images/userupload/1856_solarlampen_abschaltung_1.jpg[/img]
[/img]
Antworten