Lineare 2-Transistor-Ultra-Low-Drop-KSQ mit Schottky-Dioden

Fragen zu Schaltungen, Elektronik, Elektrik usw.

Moderator: T.Hoffmann

katze_sonne
Ultra-User
Ultra-User
Beiträge: 755
Registriert: Mi, 17.09.08, 18:52

Do, 04.06.09, 13:57

Sailor hat geschrieben:Am R 3 (da hast Du oben 0,25 kOhm stehen?) fallen U= R x I = 0,25 V x 0,8 A = 0,2 Volt ab.
Upps... *fixed* meinte natürlich Ohm (genau so wie du wahrscheinlich mit "0,25 V" :mrgreen: ).
Sailor hat geschrieben:Den Drop kannst Du erst feststellen, wenn Du die Spannung IN/Out vergleichst, wenn der Strom unter 800 mA sinkt.
Wie jetzt? Meinst du da, wo der Strom anfängt zu sinken? Wenn ja: Habe ich ja gemacht...

Nochmal ne Frage: Ist die Schaltung eigentlich Verpolungssicher?
Benutzeravatar
Sailor
Moderator
Beiträge: 9427
Registriert: Di, 28.11.06, 22:16
Wohnort: Saarland, Deutschland und die Welt

Do, 04.06.09, 14:20

In dem Spannungsbereich ist sie verpolungssicher. Sowohl die Diode als auch die LED sperren Rückwärtsstrom.

Bei höheren Spannungen könnte die Rückwärtsspannung der LED überschritten werden, so dass die LED schaden nimmt ( nur der Vollständigket halber, kommt ja bei Deiner Schaltung nicht vor).

Wenn das im Bereich Untergrenze Spannung für 800 mA gemessen wurde, könnte der Drop noch optimiert werden. Da ist der FET noch zu weit zu.
Borax
Star-Admin
Star-Admin
Beiträge: 12243
Registriert: Mo, 10.09.07, 16:28

Do, 04.06.09, 14:53

Wie jetzt? Meinst du da, wo der Strom anfängt zu sinken? Wenn ja: Habe ich ja gemacht...
Kannst Du mal eine 'Wertetabelle' messen?
Also Eingangsspannung, Spannung am LED, Spannung an R3 und Spannung am Gate. So etwa in 0.1V Schritten (bezogen auf die Eingangsspannung)...
Dann können wir das mit der 'Theorie' (LTSpice) vergleichen und ggf. feststellen was in der Praxis anders ist.
Benutzeravatar
CRI 93+ / Ra 93+
Auserwählter
Auserwählter
Beiträge: 2801
Registriert: So, 19.10.08, 23:56
Wohnort: Hannover

Do, 04.06.09, 20:54

In dem Spannungsbereich ist sie verpolungssicher. Sowohl die Diode als auch die LED sperren Rückwärtsstrom.
Vorsicht: die Cree-LEDs (zumindest XR-E) scheinen tatsächlich verkehrt gepolt nicht zu leiten (jedenfalls unterhalb der Durchbruchspannung) für die trifft obiges also zu. Für die meisten anderen High-power-LEDs aber nicht!

Philips (Luxeon Lumileds, bei der Rebel weiß ich es nicht) und auch Seoul (bei der P4 kann ich es sicher sagen) und auch viele andere Hersteller integrieren Zener-Dioden in die LEDs, so dass auch rückwärts ein Strom fließt!
Ca. 0,7V fallen dann an der Z-Diode in der LED ab und an der Z-Diode im MOSFET nochmal soviel. Der Rest wird am --- bei dieser KSQ ja sehr kleinen --- Shunt verheizt. Ich halte es für durchaus vorstellbar, dass der resultierende Strom die Z-Diode in der LED und evtl. damit auch die ganze LED zerstört, u.U. wird sogar die Diode im MOSFET zerstört.

Der Strom bei 0,2 Ohm Shunt wäre bei Verpolung dann theoretisch: (3,6V-0,7V-0,7V)/0,2R=11 A (!)
Benutzeravatar
Sailor
Moderator
Beiträge: 9427
Registriert: Di, 28.11.06, 22:16
Wohnort: Saarland, Deutschland und die Welt

Do, 04.06.09, 21:07

Bei der P4 ist die Zenerdiode eine ESD-Schutzdiode. ich habe noch nicht gehört, dass die beim verpolen der LED durchgehauen ist. Die Spannung der Zenerdiode sollte also deutlich über der Vorwärtsspannung der LED liegen.

Sonst wäre sie bei einigen beginnenden Spezialisten eher kontraproduktiv. :oops:
Benutzeravatar
CRI 93+ / Ra 93+
Auserwählter
Auserwählter
Beiträge: 2801
Registriert: So, 19.10.08, 23:56
Wohnort: Hannover

Do, 04.06.09, 23:09

Ich habe gerade die P4 nochmal mit einem Diodentester untersucht: rückwärts 0,789 V.

ESD-Schutzdioden sind ja Zenerdioden ganz ähnlich, in einigen Datenblättern steht Z-Diode/avalanche diode, in anderen ESD protection diode. ESD-Shutzdioden sind vor allem schneller als Z-Dioden, verhalten sich aber sehr ähnlich.

Und viel Strom können die auch ab, aber bei 11A wird's bei 0,7V Spannungsabfall dann doch recht schnell recht warm, egal ob ESD-Schutzdiode oder Zenerdiode. Normalerweise hat man ja sehr viel höhere Vorwiderstände als in dieser Ultra-Low-Drop-KSQ, so dass da wirklich nicht so schnell was passiert und die meisten Netzteile können bei weitem nicht soviel Strom aufbringen wie Akkus. Und hinter einer KSQ ist es ohnehin egal, wenn man so eine LED verpolt --- eine Cree XR-E könnte dabei allerdings draufgehen. (denn z.B. bringt die "große" 350-mA-KSQ es auf 72V!)) Ich denke, es ist für Anfänger daher eher ein Vorteil, wenn diese Diode in einer Power-LED enthalten ist.

Egal ob Zenerdiode oder ESD-Schutzdiode: die Durchbruchspannung ist immer über der Vorwärtsspannung der LED, sonst würde die LED ja nie ihre volle Heligkeit erreichen können oder gar nicht erst leuchten. Bei Verpolung wirkt die Schutzdiode jedoch wie eine normale Diode, denn Z- oder ESD-Dioden sind so eingebaut, dass sie bei Verpolung der LED in Vorwärtsrichtung arbeiten.

Warum in den Datenblättern nie eine normale Diode erwähnt ist, kann ich mir nur so erklären, dass die LED bei extrem kurzen ESD-Pulsen nicht schnell genug leitend wird, denn eigentlich könnte sie sich in Vorwärts-Richtung ja selbst vor Überspannung schützen, indem sie dann einfach leuchtet... nur in Rückwärts-Richtung ist die LED gefährdet.
Benutzeravatar
Sailor
Moderator
Beiträge: 9427
Registriert: Di, 28.11.06, 22:16
Wohnort: Saarland, Deutschland und die Welt

Fr, 05.06.09, 12:31

Dann muss ich die Aussage:
In dem Spannungsbereich ist sie verpolungssicher. Sowohl die Diode als auch die LED sperren Rückwärtsstrom.
ergänzen:

Gilt aber nicht für jeden LED-Typ uneingeschränkt.
cyverboy2
Mini-User
Beiträge: 4
Registriert: Fr, 22.08.08, 09:09

So, 05.07.09, 11:44

Hey,

hoffe das Thema ist noch nicht allzusehr in Vergessenheit geraten ;)

Ich will die neuee Cree MC-E an der KSQ betreiben, dabei sind von den vier einzelnen Chips jeweils 2 in Reihe und das dann parallel geschaltet (Parallelschaltung bei der MC-E kein Problem, weil die quasi identisch sind!)

Will das ganze dann mit 2 Li-On Akkus versorgen, hab also Nennbetriebsspannung von 7,4 V. Kann ich das so problemlos an der KSQ betreiben oder muss ich da noch was beachten? Wollte jeden Chip mit so 300mA betreiben!

Kann ich auch anstelle des R2 ein Poti reinbauen, um den Strom im Betrieb zu erhöhen bzw. verringern?

Danke schonmal!
Borax
Star-Admin
Star-Admin
Beiträge: 12243
Registriert: Mo, 10.09.07, 16:28

So, 05.07.09, 13:31

Kann ich das so problemlos an der KSQ betreiben oder muss ich da noch was beachten? Wollte jeden Chip mit so 300mA betreiben!
Du kannst das so betreiben.
Kann ich auch anstelle des R2 ein Poti reinbauen, um den Strom im Betrieb zu erhöhen bzw. verringern?
Ja, aber nur in gewissen Grenzen. Wenn Du einen Festwiderstand von 150Ohm (weniger geht nicht, sonst gegen die KSQ-Eigenschaften verloren) + Poti mit 1K in Serie schaltest, kannst Du den Strom um etwa 50% verringern (~350mA bis ~700mA). Wenn das eher eine Taschenlampe werden soll, würde ich aber eher einen Schalter verwenden um auf 50% oder 100% zu schalten. Potis sind da nicht so betriebssicher.
cyverboy2
Mini-User
Beiträge: 4
Registriert: Fr, 22.08.08, 09:09

So, 05.07.09, 14:27

Hey,

ich hab die Sache mal in nen Schaltplan gemalt, passt das soweit? An SMD trau ich mich noch nicht so richtig ran, hab daher statt dem BC847 den 547 genommen, sollte genauso funktionierne oder? Soll ich da lieber die B oder C Version nehmen?

Und noch ne Frage zum R3: Wie groß muss der sein, damit ich im Maximalfall so um die 700-800 mA fließen habe?

Danke!

EDIT: Hab die Bezeichnungen der ursprünglichen Schaltung angepasst, um Verwirrungen zu vermeiden!
Dateianhänge
setuerung.gif
setuerung.gif (7.65 KiB) 20126 mal betrachtet
Zuletzt geändert von cyverboy2 am So, 05.07.09, 16:59, insgesamt 2-mal geändert.
Borax
Star-Admin
Star-Admin
Beiträge: 12243
Registriert: Mo, 10.09.07, 16:28

So, 05.07.09, 16:31

BC547B/C ist egal. Kritisch ist wie schon gesagt die Schottky Diode. Ob sich die 1N5819 genauso wie die BAT46 oder BAT54 verhalten, kann ich nicht versprechen (in der Sim sieht es nicht so aus!). Aber das lässt sich natürlich 'anpassen'. Und genau deswegen kann ich Dir die Frage:
Wie groß muss R4 sein, damit ich im Maximalfall so um die 700-800 mA fließen habe?
nicht eindeutig beantworten. Irgendwas zwischen 0.2Ohm und 0.5Ohm. Da wirst Du nicht drum rum kommen, das experimentell zu bestimmen.
In der Sim (LTSpice) bekomme ich mit dem 'guten' MosFet (IRF7401), R2=470Ohm, R4=0.33Ohm bei einer BAT54 Diode einen Strom von 700mA. Wenn ich die BAT54 Diode durch die 1N5819 ersetze, bekomme ich 1070mA(!). Wenn ich dann R4 auf 0.47Ohm erhöhe, passt es wieder (750 mA), aber die Regelung über R2 passt dann nicht mehr (müsste dann eher zwischen 33Ohm und 250Ohm liegen).
Benutzeravatar
Beatbuzzer
Auserwählter
Auserwählter
Beiträge: 3177
Registriert: Fr, 17.08.07, 11:02
Wohnort: Alfeld / Niedersachsen
Kontaktdaten:

Sa, 27.02.10, 15:39

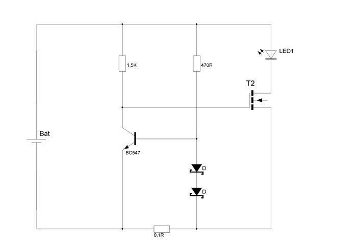
Mir ist da neulich noch was zu eingefallen:
Und zwar zwei Schottky-Dioden. Eine hat ja je nach Typ in der Regel so um 0,2-0,3V Abfall. Zwei ergeben dann max. 0,6V, was noch 50-100mV Differenz zum Transistor macht.
Und so sieht das dann aus:
KSQ.JPG
Und es läuft sogar recht stabil. Stabiler als die Version mit normaler Diode, weil man noch eine deutlichere Differenz hat und diese nicht über die Stromstärke durch die Diode hinbiegen muss.
Durch verändern des 1,5K Widerstandes kann man das ganze noch abstimmen. Ich bin mal spaßeshalber bis 50mV Drop runter gegangen. Wohlgemerkt 50mV über dem Shunt. Am FET (IRF3205) fallen minimal auch nochmal so 10-15mV bei 1A ab.
Selbst da ist der Strom über einen Bereich von 7V - 12V ziemlich konstant. Weitere Bereiche habe ich nicht getestet, da der FET kein Logic Level ist. Abweichungen lagen unter 50mA bei 1A Laststrom.

Kennt jemand zufällig einen guten FET mit sehr geringem Rds On (um 10 mohm) bei sehr geringer Gate-Spannung? Mir ist da nur der IRL3803 begegnet, aber ob der auch bei 3V - 3,5V noch so gut ist?
Borax
Star-Admin
Star-Admin
Beiträge: 12243
Registriert: Mo, 10.09.07, 16:28

Sa, 27.02.10, 17:57

Um wie viel Strom geht es denn?
Am besten wäre vmtl. der IRF7456: http://www.irf.com/product-info/datashe ... rf7456.pdf
Typisch 0.011Ohm bei Vgs=2.8V. Ist allerdings ein SMD (SO08) Typ. Mehr als etwa 2A sollte man dem aber bei Vgs<3V auch nicht zumuten. Der IRL3803 dürfte bei Vgs=3V so ca. 25-30mOhm haben. Ist da aber problemlos mit 5A belastbar.
Benutzeravatar
Beatbuzzer
Auserwählter
Auserwählter
Beiträge: 3177
Registriert: Fr, 17.08.07, 11:02
Wohnort: Alfeld / Niedersachsen
Kontaktdaten:

Sa, 27.02.10, 18:13

Borax hat geschrieben:Um wie viel Strom geht es denn?
Nur 1A für so eine Low-Drop-KSQ. Da ich mit einer 3,6V Lithium-Zelle arbeiten will und bei 1A die Flussspannung der LED schon etwas höher ist, hab ich nur wenig Platz.
Und da wollte ich so wenig Spannung wie möglich über dem FET lassen. Nicht mehr als 10-20mV, dass man auch wirklich bis 0,1V Drop runter kommt.
Der IRF7456 ließt sich echt gut. Sowas hab ich gesucht.
SMD ist gar nicht so verkehrt, denn beengt ist es auch etwas. Aber dazu dann demnächst mehr in einem neuen Thread.
Benutzeravatar
CRI 93+ / Ra 93+
Auserwählter
Auserwählter
Beiträge: 2801
Registriert: So, 19.10.08, 23:56
Wohnort: Hannover

Di, 06.04.10, 08:17

Beatbuzzer hat geschrieben:Mir ist da neulich noch was zu eingefallen:
Und zwar zwei Schottky-Dioden. Eine hat ja je nach Typ in der Regel so um 0,2-0,3V Abfall. Zwei ergeben dann max. 0,6V, was noch 50-100mV Differenz zum Transistor macht.
Geniale Verbesserungs-idee zu meiner Ursprungs-Schaltung!!!
Habe zu den 2 Schottky-Dioden noch 5,7 Ohm in Reihe geschaltet und mit 0,25 Ohm-Shunt nun ca. 480 mA bei ca. 0,12V Spannungsabfall am Shunt + ca. 0,02V am MOSFET.
Cy4n1d3
User
User
Beiträge: 15
Registriert: Di, 21.05.13, 19:30

Di, 21.05.13, 20:10

Moin allerseits!

Da ich seit einiger Zeit auch im LED-Fieber bin und jeden Tag neue Anwendungsbereiche entdecke bzw. suche, wollte ich mich jetzt auch mal an den Lötkolben setzen und ein wenig mit Selbstbau-KSQ experimentieren. Muss sagen, hier gibt es wirklich einen Haufen Lesestoff ;)
Ich habe mich ein wenig mit LTspice beschäftigt und einige Schaltpläne nachgebaut bzw. simuliert.

So war es meinerseits kein großes Problem die Ursprungsversion der LD-2-Transistor-Schaltung von Cri 93+ nachzubauen, auch die zweite Revision mit einzelner Schottky-Diode funktioniert - zumindest in LTspice :mrgreen: Ich habe diese auf Teile optimiert, welche ich bei Reichelt bestellen kann und welche ich als Model in LTspice simulieren kann.
1-Schottky-KSQ
1-Schottky-KSQ
Beatbuzzers 2-Schottky-Plan jedoch bekomme ich nicht zum Laufen, dafür fehlt mir scheinbar einfach das elektrische Verständnis...
2-Schottky-KSQ
2-Schottky-KSQ
Kann mich jemand freundlicherweise mit der Nase draufstoßen - was ist der Fehler?
Habe schon diverse Dioden, Fets und Widerstände durch, aber ich bin zu doof...

Tante €dith: es geht - wie möglicherweise bereits im Plan ersichtlich - um ein rumliegendes 12V-PC-Netzteil, welches ich gerne übergangsweise als Spannungsquelle nutzen würde.
Der Plan ist es, hinterher im Bereich bis knapp unter 12V diverse LEDs mit unterschiedlichen Strömen (natürlich mit jeweils eigener KSQ) betreiben zu können.

Danke und freundliche Grüße,
Christian
Benutzeravatar
Beatbuzzer
Auserwählter
Auserwählter
Beiträge: 3177
Registriert: Fr, 17.08.07, 11:02
Wohnort: Alfeld / Niedersachsen
Kontaktdaten:

Di, 21.05.13, 20:36

Cy4n1d3 hat geschrieben: Tante €dith: es geht - wie möglicherweise bereits im Plan ersichtlich -
Trotzdem nochmal:
Der Knotenpunkt zwischen der waagerechten Linie vom Gate des FETs und der senkrechten Linie vom 470 Ohm WIderstand gehört da nicht hin. Ist in meinem sPlan oben aber auch nicht so gut zu erkennen. Im Prinzip ist der Plan der gleiche wie der von CRI 93+ / Ra 93+, nur dass eine zweite Diode zur ersten in Reihe geschaltet wird.
Borax
Star-Admin
Star-Admin
Beiträge: 12243
Registriert: Mo, 10.09.07, 16:28

Di, 21.05.13, 20:38

Hallo Christian,
welcome on board!

Hier ist der Fehler:
KSQ_Fehler1.png
KSQ_Fehler1.png (15.72 KiB) 26126 mal betrachtet
Auch EDIT... Beatbuzzer war schneller ;)
Cy4n1d3
User
User
Beiträge: 15
Registriert: Di, 21.05.13, 19:30

Di, 21.05.13, 21:04

Hallo ihr zwei,

da habe ich ja direkt die Richtigen erwischt :wink:
Danke für's Willkommenheißen, ich werd wohl noch das ein oder andere hier lesen und tippseln :)

Den Knotenpunkt habe ich tatsächlich übersehen, ohne selbigen funktioniert es jetzt wunderbar!
Dann werde ich mal ein wenig mit den Widerständen spielen, ein höherer R1 sorgt für eine flachere Kurve bei höheren Temperaturen - das scheint mir praktisch zu sein.
Bin mal gespannt wie sich Multimeter-Messungen am fertigen Bastelstück dann später im Vergleich zur Simulation verhalten!

LG
Cy4n1d3
User
User
Beiträge: 15
Registriert: Di, 21.05.13, 19:30

Mo, 03.06.13, 21:43

Nabend :)

Ich nochmal, wollte nur einen kurzen Erfahrungsbericht abgeben:
gebaut habe ich heute sowohl die 1-Schottky als auch die 2-Schottky KSQ.
Momentan habe ich zwei 1-Schottky-Versionen im Einsatz, mit jeweils ~600 und ~900 mA.
600 mA Single-Schottky
600 mA Single-Schottky
900 mA Single-Schottky
900 mA Single-Schottky
Wie man sieht herrscht doch eine gewisse Diskrepanz zwischen LTSpice und Realität :)
Bestückt habe ich Lochraster und dann alles großzügig verlötet. Der IRLZ34N hat einen großen Kühlkörper bekommen, scheint selbst bei ~2V zu vernichten + 900mA kaum warm zu werden.
Da werde ich also möglicherweise auf kleinere Kühlkörper umrüsten, momentan sind diese etwa so groß wie der Rest der Platine insgesamt :mrgreen:
Als Spannungsquelle dient mir momentan ein altes PC-Netzteil, durch einige Verteiler und Verlängerungen kommen an der KSQ effektiv knapp 11.6V an.
Maximal lassen sich an die Leds 11.3V verteilen, sind also etwa 300mV Drop durch die KSQ und für meine Zwecke somit erstmal gut geeignet.

Funktioniert soweit erstmal ganz gut, ich werde morgen mal versuchen die 2-Schottky-Schaltung auszutarieren.
Im ersten Versuch kamen vorhin gerade einmal 50mA an den Leds an :lol:

Irgendwelche Tips oder Hinweise im Bezug auf meine obigen Schaltungen? Sind die Widerstände so in Ordnung?

Gruß Christian
Borax
Star-Admin
Star-Admin
Beiträge: 12243
Registriert: Mo, 10.09.07, 16:28

Mo, 03.06.13, 23:21

Ist doch alles ok so. und eine Abweichung von etwa 10% zwischen LTSpice und Realität ist recht gering. Hier geht ja die Gate Threshold Spannung des MOSFET Transistors auch mit rein. Und da sind 20-30% Toleranz völlig normal. Ähnlich wie bei der Stromverstärkung von normalen Bipolartransistoren - Da gibt es auch Datenblatt-Angaben von hfe (typisch)=100 Minimum=30 und Maximum=400...
Cy4n1d3
User
User
Beiträge: 15
Registriert: Di, 21.05.13, 19:30

Di, 04.06.13, 08:40

Alles klar, danke für die Erläuterung.
Wenn man weiß, dass bei der Schaltung wie in diesem Fall etwa 10% weniger rauskommen, dann kann man damit ja planen.
Und eben einen Widerstand umlöten ist ja auch kein Problem ;)
Borax
Star-Admin
Star-Admin
Beiträge: 12243
Registriert: Mo, 10.09.07, 16:28

Di, 04.06.13, 11:00

Wenn man weiß, dass bei der Schaltung wie in diesem Fall etwa 10% weniger rauskommen, dann kann man damit ja planen
Naja, nicht wirklich. Nur für die spezielle Charge Transistoren die Du gerade da hast. Schon bei der nächsten Bestellung können es Transistoren eines anderen Herstellers oder auch nur einer anderen Charge sein und es kann um 10% in die andere Richtung abweichen...
Und eben einen Widerstand umlöten ist ja auch kein Problem
Genau.
CursOn
User
User
Beiträge: 16
Registriert: Do, 06.10.11, 10:48

Mo, 01.07.13, 10:09

Hiho, ich plane dieseSchaltung, den irl3803 habe ich mittlerweile durch einen irf7456 ersetzt.
Zur Ermittlung der entsprechenden Wiederstände habe ich mich an LTSpice versucht...
Die Schottky Dioden und Transistor konnte ich wunderbar in das modell einbauen, einziges Problem, für die LED's und Mosfets finde ich nicht die richtigen Datenblätter um die Werte in die Standard file einzutragen.

LED nichia NS2L757AT:
Wie komme ich an die Werte für
Is ( Saturation current )
Rs ( Wiederstand )
N ( Emission coefficient )
Cjo ( Zero-bias junction cap. )
Xti ( Sat. Current temp. exp )
Iave ( Ave current rating )
Vpk ( Peak voltage rating )
oder an ein entsprechendes sub modell?

Was den Mosfet: irf7456
hab ich eine .subckt datei gefunden, die ich mit () versehen habe.
.SUBCKT irf7456 1 2 3
* Model generated on Jun 29, 01
* MODEL FORMAT: SPICE3
* Symmetry POWER MOS Model (Version 1.0)
* External Node Designations
* Node 1 -> Drain
* Node 2 -> Gate
* Node 3 -> Source
M1 9 7 8 8 MM L=100u W=100u
.MODEL MM NMOS (LEVEL=1 IS=1e-32
+VTO=2.07545 LAMBDA=0.0453657 KP=119.186
+CGSO=3.37108e-05 CGDO=1.97763e-09
RS 8 3 0.0001
D1 3 1 MD)
.MODEL MD D (IS=1.87521e-13 RS=0.013756 N=0.919559 BV=20
+IBV=0.00025 EG=1 XTI=1 TT=0
+CJO=3.98952e-09 VJ=0.635683 M=0.361988 FC=0.5
RDS 3 1 1e+06
RD 9 1 0.002047
RG 2 7 1.73819
D2 4 5 MD1)
* Default values used in MD1:
* RS=0 EG=1.11 XTI=3.0 TT=0
* BV=infinite IBV=1mA
.MODEL MD1 D (IS=1e-32 N=50
+CJO=2.18177e-09 VJ=0.623626 M=0.62453 FC=1e-08
D3 0 5 MD2)
* Default values used in MD2:
* EG=1.11 XTI=3.0 TT=0 CJO=0
* BV=infinite IBV=1mA
.MODEL MD2 D (IS=1e-10 N=0.402809 RS=3e-06
RL 5 10 1
FI2 7 9 VFI2 -1
VFI2 4 0 0
EV16 10 0 9 7 1
CAP 11 10 3.08581e-09
FI1 7 9 VFI1 -1
VFI1 11 6 0
RCAP 6 10 1
D4 0 6 MD3)
* Default values used in MD3:
* EG=1.11 XTI=3.0 TT=0 CJO=0
* RS=0 BV=infinite IBV=1mA
.MODEL MD3 D (IS=1e-10 N=0.402809)
.ENDS irf7456
Um diese einzubinden habe ich mir das Nmos4 Symbol kopiert und im Component Attribute Editor als Prefix X eingetragen, Value entsprechend auf irf7456.
Die .subckt datei als .sub mit Hilfe des Editors im \lib\sub Verzeichnis abgelegt. Beim simulieren spuckt er dann folgendes aus:
Unknown subcircuit called in
xu1 n002 n003 n007 nc_01 irf7456
Was habe ich falsch gemacht?

Weitere Fragen:
Ich bin beim Nachlesen öfters über einen Wert von 0,7V anliegender Spannung am Shunt wiederstand gestoßen, wobei der Wiederstand dann so dimensioniert wird, dass der gewünschte Strom fließt...
Woher kommen diese 0,7V? In meinem Fall wäre dann ein Wiederstand von 7Ohm für einen Strom von 100ma einzusetzten???

Wie ihr seht, ich brauche Hilfe xD

Vielen Dank schonmal
Borax
Star-Admin
Star-Admin
Beiträge: 12243
Registriert: Mo, 10.09.07, 16:28

Mo, 01.07.13, 11:19

Die 0.7V sind der 'Standardwert' für die Basis-Emitter Spannung eines bipolaren Transistors. Siehe auch: viewtopic.php?f=31&t=7920&start=0 In der Praxis liegt die Spannung bei geringen Strömen meist noch geringer (eher bei guten 0.6V). Hier bei der Ultra-Low-Drop-Variante gilt das zwar immer noch, aber das Potential ist über die (eine oder zwei) Schottky Dioden um deren Flussspannung angehoben (der Shunt liegt nicht direkt an der Basis, sondern erst hinter den zwei Schottkys), so dass eben nur noch die Differenz zwischen diesen 0.7V und der Flussspannung der Schottky Dioden (0.2-0.3V) am Shunt Widerstand abfallen muss (also ca. 0.1V) um den Transistor in den leitenden Zustand zu bekommen.
Die Schottky Dioden und Transistor konnte ich wunderbar in das modell einbauen, einziges Problem, für die LED's und Mosfets finde ich nicht die richtigen Datenblätter um die Werte in die Standard file einzutragen.
Hier gilt wieder mal die übliche Warnung: Das ist nur eine Simulation mit 'idealisierten' Bauteilen. Um die nötigen Parameter zu bestimmen um die Simulation wirklich mit der Praxis in (guten!) Einklang zu bringen, müsstest Du alle Bauteile (Halbleiter) erst mal vermessen und die Parameter so anpassen, bis die Simulation zu exakt dem Exemplar passt, was Du vermessen hast. Ansonsten sind die Bauteil-Toleranzen viel zu groß um eine mehr als 90% Annäherung zu erreichen.
Daher würde ich es andersrum machen: Bauteile (Halbleiter: LEDs, Transistoren, Schottky-Dioden) aussuchen, bestellen, Schaltung aufbauen und DANN die Widerstände so anpassen, dass es den richtigen Strom ergibt. Die 'groben' Werte für die Widerstände kannst Du mit LTSpice durchaus bestimmen, hier kommt es aber auf eine 100% Übereinstimmung der Bauteile nicht an. Anstatt dem IRF7456 kannst Du im Modell problemlos den IRF7401 nehmen. Als LEDs mit geringer Flussspannung die PT-121-B. Wenn Du noch mehr Hilfe brauchst, sag Bescheid...
Antworten