Flipflop - mit einem Taster möglich?

Fragen zu Schaltungen, Elektronik, Elektrik usw.

Moderator: T.Hoffmann

Antworten
Borax
Star-Admin
Star-Admin
Beiträge: 12243
Registriert: Mo, 10.09.07, 16:28

Di, 11.09.12, 16:44

Nein. müssen sie nicht. Aber sie sollten sich auch nicht sooo stark unterscheiden. Wenn die Spannung nicht zu hoch ist (max. 5V - eher 4.5V) dann reichen auch 100Ohm. Bei 6V oder mehr (mehr als 7V würde ich nicht empfehlen) sollte es auch mit 150 bis 470 Ohm gehen.
0karsten
Super-User
Super-User
Beiträge: 61
Registriert: Fr, 07.09.12, 20:29

Di, 11.09.12, 17:17

Hallo Borax,

Habs probiert. Ich hatte allerdings nur 2 gleiche 424 Ohm. Es funktioniert ein bisschen komisch. Wenn ich antippse kommt mal ein Wechsel zustande und manchmal nicht. Ich habe es mit längeren Wartepausen versucht und auch mit kürzeren, ich komme nicht dahinter, wann es kippen will. Ich habe mal einen Kondensator von den Beinchen her vertauscht, da gibt es keinen Wechsel mehr. Vielleicht sind die nicht bipolar. Wenn ich beide Kon. in symetrisch stelle, "geht" es wieder. Ich hab auch bis 12 V hochgedreht. Das Selbe. Eine Lampe geht auch nie ganz aus, während die andere richtig leuchtet, auf beiden Seiten.

Gruß
Karsten
0karsten
Super-User
Super-User
Beiträge: 61
Registriert: Fr, 07.09.12, 20:29

Di, 11.09.12, 21:52

Hallo Borex,

es funktioniert - mehr oder weniger! Soganz steige ich nicht gahinter, wie es das Ding haben will. Mal wechselt das Licht, wenn ich kontakte, mal nicht. Hab auch schon mit länger draufhalten und andere Intervalle versucht. Auch schon die Kondensatoren"pole" vertauscht. Es geht überhaupt nicht, wenn ein Kond. von den Polen her nicht symmetrisch dem anderen steht. Als ob sie doch nicht bipolar sind. Hab's auch mal mit 10 mF Kondens. versucht. Geht genauso unregelmäßig. Ach so, ich habe die Spannung auch bis 12V hochgedreht. Keine Änderung. Die Ohm-Widerstände haben ca. 434, bestimmt auch nicht das wahre. Aber ich habe momentan nichts passenderes. Naja, eine Vorstellung habe ich. Würde man es auch so hinbekommen, dass der eine Transistor völlig sperrt (die Lampe ist nie gans aus)? Könnte man das Signal des offnen Transistors weiterverarbeiten, z.B. statt der LED an die Basis des nächsten um eine Schaltung auszulösen?

Gruß
Karsten
0karsten
Super-User
Super-User
Beiträge: 61
Registriert: Fr, 07.09.12, 20:29

Di, 11.09.12, 21:56

Oje, die erste Antwort ist ja doch da, ich dachte die war verloren gegangen. Nun hast du 2 Antworten.

Gruß
Karsten
Borax
Star-Admin
Star-Admin
Beiträge: 12243
Registriert: Mo, 10.09.07, 16:28

Di, 11.09.12, 22:03

Also warum das nicht so sauber arbeitet kann ich jetzt auch nicht per 'Ferndiagnose' feststellen. Möglicherweise liegt es an den seltsamen Kondensatoren. Besser wären halt schon Folien- oder Keramische. Dass die LEDs nicht 100% aus gehen läßt sich nicht sooo einfach ändern. Sie leuchten halt auch mit minimalem Strom (etwa 0.2mA) schon ein wenig (bei Glühlämpchen wäre das nicht der Fall). Klar kann man noch eine Stufe nachschalten.
Benutzeravatar
unoptanium
Mega-User
Mega-User
Beiträge: 475
Registriert: Di, 07.10.08, 19:00
Wohnort: Berlin

Mi, 12.09.12, 04:42

Guten Morgen.

Ja das mit den 6 Transistoren hat ja nicht nur Nachteile :-)
Man kann parallel zu den LEDs einen z.B. 10K Widerstand schalten, um das Glimmen wegzubekommen.


Gruß, unoptanium
Borax
Star-Admin
Star-Admin
Beiträge: 12243
Registriert: Mo, 10.09.07, 16:28

Mi, 12.09.12, 08:09

Ja das mit den 6 Transistoren hat ja nicht nur Nachteile
Stimmt. Aber ich habe so was auch schon mal real aufgebaut (vor x Jahren und mit Glühbirnen) und das hat durchaus hinreichend betriebssicher funktioniert.
Man kann parallel zu den LEDs einen z.B. 10K Widerstand schalten, um das Glimmen wegzubekommen.
Da hab ich auch schon dran gedacht. Ich wollte es aber erst mal durch die Sim jagen, bevor ich da was dazu sage. 10K sind zu viel. Da bleiben noch ca. 0.25mA 'übrig' (ohne die 10K sind es 0.4mA). Bei 2.2K bleiben nur noch 3µA und bei 1K ist endgültig Schicht :) (Reststrom 50nA) Allerdings sinkt der Strom im 'An' Modus dann auch auf 15mA ab (bei 3V 20mA LEDs und 120Ohm Vorwiderstand).
@Karsten
Was genau willst Du eigentlich mit der Schaltung erreichen?
0karsten
Super-User
Super-User
Beiträge: 61
Registriert: Fr, 07.09.12, 20:29

Mi, 12.09.12, 12:15

Hallo Borax,

Reines Interesse. Meine Kinder haben einen Elektronikbaukasten geschenkt bekommen und da ich mich mit Modelbahn bau beschäftige bin ich auf diese Schiene gekommen alles Mögliche mal auszuprobieren.
Gruß
Karsten
Borax
Star-Admin
Star-Admin
Beiträge: 12243
Registriert: Mo, 10.09.07, 16:28

Mi, 12.09.12, 14:22

Ok. Also zunächst mal ohne konkrete Anwendung :D
Dann viel Spaß beim weiter probieren!
Falls es noch Fragen gibt, nur zu!
0karsten
Super-User
Super-User
Beiträge: 61
Registriert: Fr, 07.09.12, 20:29

Fr, 14.09.12, 07:04

Hallo Borax,

kannst du mir bitte erklären, wie ich einen CD4049 anklemmen muß?
http://www.conrad.de/ce/de/product/1434 ... Flip-Flops

Ich möchte damit eine Flipflop-Schaltung aufbauen.

Gruß
Karsten
Strumboe
Ultra-User
Ultra-User
Beiträge: 622
Registriert: Mi, 25.08.10, 11:19
Wohnort: Quickborn

Fr, 14.09.12, 07:11

Guten Morgen.

Eigentlich ganz einfach. Schau dir mal auf dem Link von dir rechts die "Dokumente / Downloads" an. Da ist in englisch das Datenblatt. Dann siehst du, dass Vdd auf Pin 14 - das ist +5V - und unten rechts Pin 8 Vss - das ist GND bzw. Minus -.
Und dann brauchst du nur noch nach den Beschreibungen von den ersten Postings anzuklemmen. Im Posting ist die alte Symbolik angewand und im Datenblatt die neue. Die Bedeutungen sind aber identisch.

edit
Schrott!!! Habe nicht aufgepasst. Du hat einen Link vom 4013 einstellt und nicht vom 4049..... Ist halt noch früh am Morgen. Also Augen auf.
Welches IC willst du einsetzten? Egal. Also auch hier Vdd die Versorungsspannung, in diesem Fall auf Pin 1, und GND Vss auf Pin 8.
Pin 1 ist übrigens immer mit einem Punkt - entweder aufgedruckt oder als Vertiefung auf dem Gehäuse kenntlich gemacht und als dritte Variante auf der angephasten Seite links oben.
edit Ende

Gruß
0karsten
Super-User
Super-User
Beiträge: 61
Registriert: Fr, 07.09.12, 20:29

Fr, 14.09.12, 07:22

Hallo Stumboe,

oh ich habe mich im Teil geirrt. Ich meine den CD 4013.
Das Datenblatt sehe ich zwar, aber ich weiß nicht was was bedeutet. Im Blockdiagramm: R (reset) S (set) das weiß ich. Aber wo wird wasangeklemmt?

Gruß
Karsten
Strumboe
Ultra-User
Ultra-User
Beiträge: 622
Registriert: Mi, 25.08.10, 11:19
Wohnort: Quickborn

Fr, 14.09.12, 07:41

Hallo.
Schau dir die Wahrheitstabelle an.
Meistens wird das Taktsignal - kommt vom Taster, Schalter, Transistor oder einem anderen IC, wie z.B. einem µC - an den Anschluss D(ata) geklemmt. R(eset) geht auf GND da High aktiv, Set geht auf GND, da ebenfalls High aktiv. Das Ausgangssignal wertest du dann an Q oder /Q aus. Zwischen diesen beiden Ausgängen erfolgt der Zustandswechsel.
4013_Wahrheitstabelle.jpg
4013_Wahrheitstabelle.jpg (61.27 KiB) 22492 mal betrachtet
Gruß
0karsten
Super-User
Super-User
Beiträge: 61
Registriert: Fr, 07.09.12, 20:29

Fr, 14.09.12, 08:04

Hallo Stumboe,

was bedeutet bei Data das X und bei Clock+ diese Zeichen? Muß an Clock auch etwas geklemmt werden?
Gruß
Karsten
Strumboe
Ultra-User
Ultra-User
Beiträge: 622
Registriert: Mi, 25.08.10, 11:19
Wohnort: Quickborn

Fr, 14.09.12, 08:14

Hast du mal heruntergescrollt?
Das X bedeutet, dass hier der Pegel am Anschluss "egal" ist, weil R(eset) und S(et) oder die Komobination aus beiden, die anderen Eingänge übersteuern. Das siehst du auch an den Ausgängen.

Gruß
0karsten
Super-User
Super-User
Beiträge: 61
Registriert: Fr, 07.09.12, 20:29

Fr, 14.09.12, 08:15

Hallo Stumboe,

bevor ich was falsch mache. Könntest du mir bitte eine kleine Schalt- Skizze machen? Ich habe so ein Ding das erste mal in der Mache. Meine Ausangsleistung am Trafo sind 14 V mit Brückengleichrichter gleichgerichtet. An den Q's soll nur jeweils eine LED brennen oder aus sein. Ich nehme an, Widerstände kommen auch noch davor. Ich habe 100k und 10k.

Gruß
Karsten.
Borax
Star-Admin
Star-Admin
Beiträge: 12243
Registriert: Mo, 10.09.07, 16:28

Fr, 14.09.12, 08:20

Noch ein paar Anmerkungen...
Das ist ein Standard CMOS Chip. Also nur sehr wenig Leistung an den Ausgangspins verfügbar (bei 5V Versorgung ca. 2-3mA, bei 12V etwa 8mA - 10mA ist da abs. Maximum). Wenn Du den Eingang mit einem Taster 'bedienen' willst, dann auf alle Fälle eine Tastenentprellung (siehe z.B. http://www.dieelektronikerseite.de/Lect ... attern.htm) vorsehen. Sonst schaltest Du bei jedem Tastendruck x Mal hin und her. Im dem Link ist auch gleich eine Beispielschaltung für ein T-FlipFlop zu sehen (allerdings mit dem CD4027)
Um den CD4013 als T-FlipFlop zu schalten, musst Du ihm 'kurzschließen' also den Data-Eingang mit dem invertierten Ausgang (Q quer also Pin 2 oder Pin 12) verbinden. Set und Reset wie Sturmboe schon sagte an Masse, an Clock kommt dann die Versorgungsspannung über den Taster (und eine Widerstands-Kondensator Kombination wie im obigen Link).
Noch was...
Meine Ausangsleistung am Trafo sind 14 V mit Brückengleichrichter gleichgerichtet.
Ohne Siebelko und Stabilisierung?
Benutzeravatar
Jay
Hyper-User
Hyper-User
Beiträge: 1096
Registriert: Mo, 08.05.06, 07:54
Wohnort: Österreich

Fr, 14.09.12, 08:26

ohje, seit den letzten Beitrag von Loong schüttele ich mir den Kopf, meine letzte Schaltung funktioniert ohne irgendwelche extra Entprellung des Tasters und ist auch noch einfacher auf zu bauen wie die mit dem 4013, im Prinzip braucht man ja nur 2x HEX Buffer, 10kOhm Widerstand, 100kOhm Widerstand, 1µF Kondensator, Taster und 2 LEDs, fertig. Wieso müssen Menschen immer den Komplizierten weg gehen...

mfg
Jay
0karsten
Super-User
Super-User
Beiträge: 61
Registriert: Fr, 07.09.12, 20:29

Fr, 14.09.12, 08:28

Hallo,

ich weiß nicht mal, wie rum ich das Ding drehen soll. Auf dem Datenblatt ist Teil mit einer Markierung dargestellt. Meins ist total glatt, nur die Aufschrift.

Gruß
Karsten
0karsten
Super-User
Super-User
Beiträge: 61
Registriert: Fr, 07.09.12, 20:29

Fr, 14.09.12, 08:31

Hallo Joy,
schön zu wissen. Was ist Hex Buffer. Wie sieht das Teil aus? Gibt es evt. einen Link? Kannst du evt. mal eine Skizze zum nachbauen machen?

Gruß
Karsten
Loong

Fr, 14.09.12, 08:33

Jay hat geschrieben:ohje, seit den letzten Beitrag von Loong schüttele ich mir den Kopf, meine letzte Schaltung funktioniert ohne irgendwelche extra Entprellung des Tasters und ist auch noch einfacher auf zu bauen wie die mit dem 4013, ...
Quatsch! Die Toggle-Schaltung mit dem 4013 ist sogar weniger aufwendig wie deine Schaltung: Als externe Beschaltung für den 4013 benötigt man einen Widerstand und einen Kondensator für die Tasterentprellung und zwei Vorwiderstände für die LEDs. Ich zähle einen Widerstand weniger als in deiner Schaltung.
Zuletzt geändert von Loong am Fr, 14.09.12, 08:35, insgesamt 1-mal geändert.
Strumboe
Ultra-User
Ultra-User
Beiträge: 622
Registriert: Mi, 25.08.10, 11:19
Wohnort: Quickborn

Fr, 14.09.12, 08:35

@Jay
Ich galube okasten geht es hier um den Lerneffekt.

@ okarsten

Wie, kein Aufdruck, keine Kerbe, keine abgeflachte Seite?

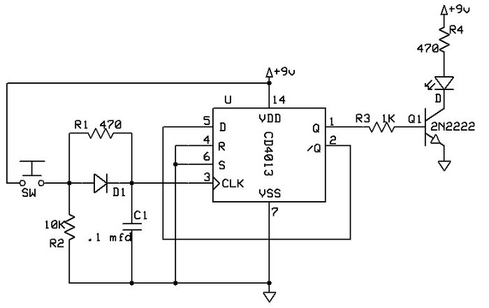
So, ich habe hier mal auf die Schnelle die allwissende Müllhalde befragt. Die Schaltung hat auch die von Borax zu Bedenken gegebene Taten-Entprellung und einen kleinen Transitor, um die Schaltstuffe des 4013 zu entlasten. Statt dem Ami-Typen eignet sich im Grunde jeder BC-PNP.
4013_LED_mit Transitor.jpg

Gruß
Borax
Star-Admin
Star-Admin
Beiträge: 12243
Registriert: Mo, 10.09.07, 16:28

Fr, 14.09.12, 08:36

Siehe hier:
viewtopic.php?p=163272#p163272

Aber noch mal:
Noch was...
Meine Ausangsleistung am Trafo sind 14 V mit Brückengleichrichter gleichgerichtet.
Ohne Siebelko und Stabilisierung?

Dann wird das nix!

@Jay
Wieso müssen Menschen immer den Komplizierten weg gehen...
Vielleicht weil sie etwas lernen wollen?

BTW... Da ist ja auch eine Entprellung drin (der Taster ist über den Kondensator entprellt)
Benutzeravatar
Jay
Hyper-User
Hyper-User
Beiträge: 1096
Registriert: Mo, 08.05.06, 07:54
Wohnort: Österreich

Fr, 14.09.12, 08:37

also wenn du den CD4049 vor dir liegen hast und die "draht" Beinchen auf den Boden sind sieht die Belegung so aus:
CD4049.gif
CD4049.gif (3.29 KiB) 22474 mal betrachtet
alles andere kann man an der Schaltung erkennen.
0karsten
Super-User
Super-User
Beiträge: 61
Registriert: Fr, 07.09.12, 20:29

Fr, 14.09.12, 08:56

Hallo,
Wie, kein Aufdruck, keine Kerbe, keine abgeflachte Seite?
Der Aufdruck ist schon da. Aber keine Kerbe u. kein Pünktchen.Die Seiten sind völlig symmetrisch.

Gruß
Karsten
Antworten