Die Suche ergab 866 Treffer
- Sa, 16.04.11, 12:09
- Forum: LED-Anfänger
- Thema: RGB LED Streifen + Fernbedienung
- Antworten: 18
- Zugriffe: 28344
Re: RGB LED Streifen + Fernbedienung
Klingt ja nicht so fein. Ich überlege die ganze Zeit, mir auch mal so ein 44-Tasten Teil zuzulegen, um die vergleichen zu können. Wenn du deins also nicht mehr brauchst... ^^
- Do, 14.04.11, 11:29
- Forum: LED-Anfänger
- Thema: RGB LED Streifen + Fernbedienung
- Antworten: 18
- Zugriffe: 28344
Re: RGB LED Streifen + Fernbedienung
Das wäre super. Ich habe mittlerweile gesehen, dass es die Fernbedienungen schon einzeln zu kaufen gibt, was ja auch darauf hindeuten würde...
- Mi, 13.04.11, 17:00
- Forum: LED-Anfänger
- Thema: RGB LED Streifen + Fernbedienung
- Antworten: 18
- Zugriffe: 28344
Re: RGB LED Streifen + Fernbedienung
Hm...also ich hab auch diesen Kasten und kann über die "heller" / "dunkler"-Tasten die Schnelligkeit des Fadens (haha, tolles D/Englisch) ändern. Auf der langsamsten Stufe ists eigentlich super :) Was mich mal interessieren würde ist, was die Unterschiede zwischen dem 24-Tasten u...
- So, 23.08.09, 17:47
- Forum: Elektronik & Schaltung
- Thema: "Explodierende" Kondensatoren im Car-Hif-Bereich
- Antworten: 12
- Zugriffe: 10873
Re: "Explodierende" Kondensatoren im Car-Hif-Bereich
Recht habt ihr. Die 120W sind auch das Maximale, was ich ohne Aussetzer hin bekomme. Wie gesagt, ich teste momentan noch, wie das alles funktionieren kann / wird. Es geht halt um eine günstige / autarke Anlage, die ohne Aggregat auskommt... Bin auf jeden Fall dankbar über Tipps, die mir helfen das D...
- So, 23.08.09, 11:53
- Forum: Elektronik & Schaltung
- Thema: "Explodierende" Kondensatoren im Car-Hif-Bereich
- Antworten: 12
- Zugriffe: 10873
Re: "Explodierende" Kondensatoren im Car-Hif-Bereich
Ja...das dachte ich auch. Allerdings hat die Anlage bei einigen Liedern so ihre Probleme...die je nach "alter" der Batterie mehr werden. Ist auch alles noch in der Testphase hier 
- So, 23.08.09, 11:14
- Forum: Elektronik & Schaltung
- Thema: "Explodierende" Kondensatoren im Car-Hif-Bereich
- Antworten: 12
- Zugriffe: 10873
Re: "Explodierende" Kondensatoren im Car-Hif-Bereich
Der Kondensator hat 1F. Mit meinem Labornetzteil aufgeladen, schaltet sich die Strombegrenzung (3A) nach ca. 3s aus. Daher sollte das passen. Der IRLZ34N hat nen Rds(on) von 35mOhm, was bei den max. 10A, die bei mir fließen 3,5W ausmachen. Zum testen muss ich damit klar kommen. Wenn dann alles funkt...
- Sa, 22.08.09, 16:52
- Forum: Elektronik & Schaltung
- Thema: "Explodierende" Kondensatoren im Car-Hif-Bereich
- Antworten: 12
- Zugriffe: 10873
Re: "Explodierende" Kondensatoren im Car-Hif-Bereich
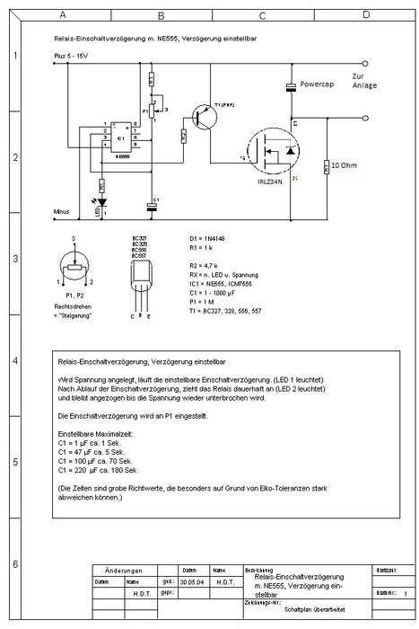
Hm...hab grad kein passendes Relais da, aber mal eine im Netz gefundene Einschaltverzögerung modifiziert.
Ist vielleicht etwas besser als meine erste Idee.
Was meint ihr, haut das so hin?
Ist vielleicht etwas besser als meine erste Idee.
Was meint ihr, haut das so hin?
- Sa, 22.08.09, 14:34
- Forum: Elektronik & Schaltung
- Thema: "Explodierende" Kondensatoren im Car-Hif-Bereich
- Antworten: 12
- Zugriffe: 10873
Re: "Explodierende" Kondensatoren im Car-Hif-Bereich
Ich hätt jetzt einfach ne Schaltung aus nem RC-Glied gebaut, welches die ersten 10s den direkten Weg abschaltet und danach zuschaltet. Also, dass die ersten 10s einfach nur der Weg über einen 10Ohm oder so "frei" ist (mein Gott was für blöde Sätze
)
- Sa, 22.08.09, 13:19
- Forum: Elektronik & Schaltung
- Thema: "Explodierende" Kondensatoren im Car-Hif-Bereich
- Antworten: 12
- Zugriffe: 10873
"Explodierende" Kondensatoren im Car-Hif-Bereich
Ich habe mir aus ein paar Car-Hifi-Teilen eine kleine Anlage zusammen gebaut, die ich auf Partys mit Autobatterien betreiben möchte. Nun las ich in diversen Car-Hifi Foren, dass die Kondensatoren explodieren 'können', wenn man sie direkt an der Batterie ohne Widerstand auflädt. Problematisch an mein...
- So, 16.08.09, 18:54
- Forum: Elektronik & Schaltung
- Thema: Rebel pulsen mit Atmel?!
- Antworten: 8
- Zugriffe: 7203
Re: Rebel pulsen mit Atmel?!
Ne ich wollte schon Batterien nehmen...
Nun gut...aber ne Diode davor würde ja bei 6V reichen...
Nun gut...aber ne Diode davor würde ja bei 6V reichen...
- So, 16.08.09, 18:12
- Forum: Elektronik & Schaltung
- Thema: Rebel pulsen mit Atmel?!
- Antworten: 8
- Zugriffe: 7203
Re: Rebel pulsen mit Atmel?!
Mit 4 Batterien bräuchte ich allerdings wieder einen größeren Vorwiderstand sowie ne Spannungsbegrenzung für den Atmel...
Auch nicht so optimal...gibts nich noch eine weitere Lösung?!
Auch nicht so optimal...gibts nich noch eine weitere Lösung?!
- So, 16.08.09, 17:03
- Forum: Elektronik & Schaltung
- Thema: Rebel pulsen mit Atmel?!
- Antworten: 8
- Zugriffe: 7203
Re: Rebel pulsen mit Atmel?!
Daher dachte ich an einen "fetten" Elko, der quasi die Stromspitze abfängt...
- So, 16.08.09, 14:34
- Forum: Elektronik & Schaltung
- Thema: Rebel pulsen mit Atmel?!
- Antworten: 8
- Zugriffe: 7203
Re: Rebel pulsen mit Atmel?!
Naja, der Atmel ist kein Problem. Darum gehts ja eigentlich auch nicht :) Ne KSQ davor ist schlecht, weil ja ca. 3A fließen sollen. Gespeist wird die Schaltung von 3AA Batterien, also maximal 4,5V. Laut Datenblatt haben die Rebels bei 1A 3,5V, also müsste ich zu dem Rds[on] Widerstand des MOSFETs no...
- So, 16.08.09, 13:42
- Forum: Elektronik & Schaltung
- Thema: Rebel pulsen mit Atmel?!
- Antworten: 8
- Zugriffe: 7203
Rebel pulsen mit Atmel?!
Moin, ich suche eine Möglichkeit, 3 Rebels auf einfachste Art und Weise gepulst zu schalten. Die Schaltdauer beträgt 20ms pro 2s, Spannung 4,5V. Das Ziel ist es, dies möglichst einfach zu tun - also ohne viele Bauteile. Wie würdet ihr es tun? Reicht es wohl, nen IRLZ34N und nen Widerstand zu nehmen?...
- Di, 11.08.09, 17:00
- Forum: LED-Anfänger
- Thema: ir dioden
- Antworten: 4
- Zugriffe: 4263
Re: ir dioden
Hast du ein paar genauere Infos? Was hast du damit vor? Wie weit soll er reichen? Soll er eine große Fläche ausleuchten oder eher in die Ferne? Was hast du für eine Spannungsversorgung zur Verfügung?!
- Di, 11.08.09, 11:17
- Forum: LED Tests & Vergleiche
- Thema: Lichtfarbe von LEDs "erkennen" - LEDs auseinanderhalten
- Antworten: 2
- Zugriffe: 7423
Re: Lichtfarbe von LEDs "erkennen" - LEDs auseinanderhalten
jo, haste schon recht. aber neutralweiß 
- Di, 11.08.09, 10:56
- Forum: LED Tests & Vergleiche
- Thema: Lichtfarbe von LEDs "erkennen" - LEDs auseinanderhalten
- Antworten: 2
- Zugriffe: 7423
Lichtfarbe von LEDs "erkennen" - LEDs auseinanderhalten
Moin, ich hab hier jetzt ein paar P4-LEDs rumfliegen - kalt-, neutral- und warmweiße. Leider kann ich sie vom Aussehen her nicht wirklich unterscheiden. Natürlich könnte ich alle anschließen und vergleichen. Was mich aber eher interessiert wäre, ob es auch ein neutrales Erkennungsmerkmal gibt, wenn ...
- Fr, 31.07.09, 10:31
- Forum: LED-Anfänger
- Thema: Frequenz von LEDs
- Antworten: 14
- Zugriffe: 11060
Re: Frequenz von LEDs
Naja, man kann auch ne Kamera davor halten. Hab schon irgendwo Fotos von dem Ding gesehen. Dort hat jemand das Spektrum von 'irgendwas' abfotografiert und ins Netz gestellt.
Finde gerade leider den Link nicht...
Finde gerade leider den Link nicht...
- Fr, 31.07.09, 10:11
- Forum: LED-Anfänger
- Thema: Frequenz von LEDs
- Antworten: 14
- Zugriffe: 11060
Re: Frequenz von LEDs
Das Dingen hier ist nicht sehr teuer und angeblich auf 5nm genau. http://www.astromedia.de/shop/csc_fullview.php?Artikelnummer=406.HSP&VID=4ElKqxmzKPktErn9 Ich habs selber noch nicht getestet, hatte ich aber schon des öfteren vor :) Wenn du es dir kaufst, kannste dich ja mal melden :) Wenn du IR...
- So, 26.07.09, 18:43
- Forum: Elektronik & Schaltung
- Thema: "High efficiency LED driver" gesucht
- Antworten: 1
- Zugriffe: 3123
"High efficiency LED driver" gesucht
Moin, für eine Studienarbeit benötige ich verschiedene LED Buck-Treiber-ICs. Die Absicht ist es, die Effizienz der verschiedenen ICs bzw. Schaltungen gegenüber zu stellen. Der IC soll von ca. 4-15V Uin funktionieren, einen Ausgangsstrom von 1A liefern können (und auch mit nur einer LED funktionieren...
- Di, 21.07.09, 14:47
- Forum: Produktfragen
- Thema: beleuchtung in kellnerbörse
- Antworten: 10
- Zugriffe: 11648
Re: beleuchtung in kellnerbörse
Weißte doch...LEDs sind modern und die Zukunft...da kann man schon mal ordentlich den Preis erhöhen... 
- Di, 21.07.09, 14:19
- Forum: Produktfragen
- Thema: beleuchtung in kellnerbörse
- Antworten: 10
- Zugriffe: 11648
Re: beleuchtung in kellnerbörse
Das hab ich aber auch schon fertig gesehen. Wäre das auch ne Alternative, wenn du nich so ein Spezialist bist :) z.B. hier: http://www.linefeed.net/geldboersen/index.asp?f=g_kellner&t=Kellner-Geldb%26ouml%3Brsen http://geldboersenshop.de/Zubehoer-fuer-Kellnerboersen/Kellnerboersen-Beleuchtung--5...
- Do, 09.07.09, 09:05
- Forum: LED Modding & Deko
- Thema: 1,99€-Ikea-Leuchte von -75%-Lichtblocker befreien?
- Antworten: 27
- Zugriffe: 25995
Re: 1,99€-Ikea-Leuchte von -75%-Lichtblocker befreien?
Frag doch mal beim Maler und Lackierer oder bei einem Metallverarbeiter in deiner Nähe nach. Die haben mit Sicherheit eine Möglichkeit zum Sandstrahlen (Wir lassen da selber ab und zu für nen Kasten Bier was Sandstrahlen). Damit bekommt man sicherlich den Lack ab... (wie es ja schon gesagt wurde)
- Di, 07.07.09, 10:56
- Forum: LED Modding & Deko
- Thema: Extrem stoßfestes Plexiglas
- Antworten: 21
- Zugriffe: 16801
Re: Extrem stoßfestes Plexiglas
Sag mal Sailor,
woher beziehst du das Silikon? Ich benötige nämlich ca. 600ml oder 652,5 cm³ (berechnet) pro Form. Das sind fast 2 Tuben und wird auf Dauer echt teuer. Gibts da keine größeren Einheiten für kleineres Geld?
woher beziehst du das Silikon? Ich benötige nämlich ca. 600ml oder 652,5 cm³ (berechnet) pro Form. Das sind fast 2 Tuben und wird auf Dauer echt teuer. Gibts da keine größeren Einheiten für kleineres Geld?
- So, 05.07.09, 12:46
- Forum: LED Modding & Deko
- Thema: Extrem stoßfestes Plexiglas
- Antworten: 21
- Zugriffe: 16801
Re: Extrem stoßfestes Plexiglas
Is das mit dem Wasser auch bei Essig vernetzendem Silikon sinnvoll?
Von den Temperaturen her möglichst warm? Da würd sich ja auch der Backofen anbieten...
[Sorry, aber ich hab davon absolut keinen Plan...bin ja kein Chemiker
]
Von den Temperaturen her möglichst warm? Da würd sich ja auch der Backofen anbieten...
[Sorry, aber ich hab davon absolut keinen Plan...bin ja kein Chemiker
